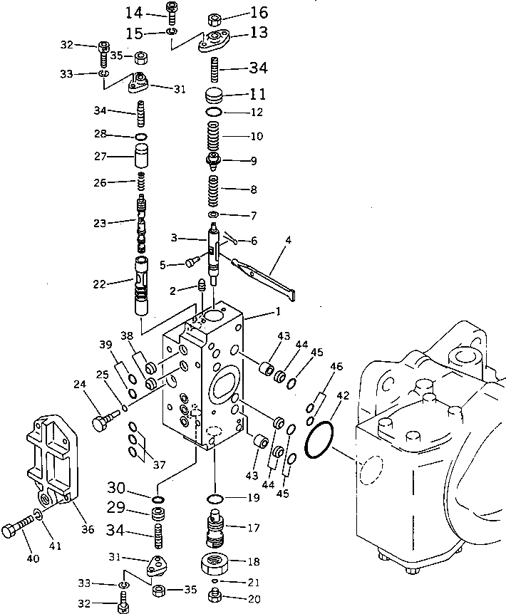
Запчасти Komatsu PC650SE-3 ГИДР. НАСОС.¤ NO. (ЗАДН. СЕРВОКЛАПАН) (8/8) УПРАВЛ-Е РАБОЧИМ ОБОРУДОВАНИЕМ

Схема запчастей Komatsu PC650SE-3 - ГИДР. НАСОС.¤ NO. (ЗАДН. СЕРВОКЛАПАН) (8/8) УПРАВЛ-Е РАБОЧИМ ОБОРУДОВАНИЕМ
FIT
1:1
100%

Артикул

Название

Примечание

Количество

|$0

708-25-50201

HYDRAULIC PUMP ASS'Y

|$1

708-25-50200

HYDRAULIC PUMP ASS'Y (HPV 90+90

|$3

708-25-56200

SERVO VALVE ASS'Y,REAR

|$4

708-23-07011

BODY ASS'Y

1

BODY

2

EXPANDER

3

708-25-15120

PISTON

4

708-25-15270

ARM

5

04205-00514

PIN

6

04050-01210

PIN,COTTER

7

708-25-15130

SEAT

8

708-25-55130

SPRING

9

708-23-15120

SEAT

10

708-25-55120

SPRING

11

708-23-15160

PLUG

12

07000-02018

O-RING

13

708-25-15150

COVER

14

708-25-15320

BOLT

15

01602-20619

WASHER,SPRING

16

01580-10806

NUT

17

708-25-15171

PLUG

18

07239-12009

NUT

19

07002-02034

O-RING

20

07040-11007

PLUG

21

07002-01023

O-RING

22

708-25-15180

SLEEVE

23

708-25-15280

SPOOL

24

708-25-15260

PLUG

25

07002-00823

O-RING

26

708-25-15310

SPRING

27

708-25-15330

SPACER

28

07000-02012

O-RING

29

708-25-15430

PLUG

30

07000-02012

O-RING

31

708-25-15250

COVER

32

708-25-15320

BOLT

33

01602-20619

WASHER,SPRING

34

708-25-15340

SCREW

35

01580-10806

NUT

36

708-25-55110

PLATE

37

07000-02011

O-RING

38

720-68-11920

FILTER

39

07000-12010

O-RING

40

01010-30825

BOLT

41

01602-20825

WASHER,SPRING

42

07000-03048

O-RING

43

708-25-19150

ORIFICE

44

720-68-11920

FILTER

45

07000-12010

O-RING

46

07000-11009

O-RING

Выбрано товаров: 50