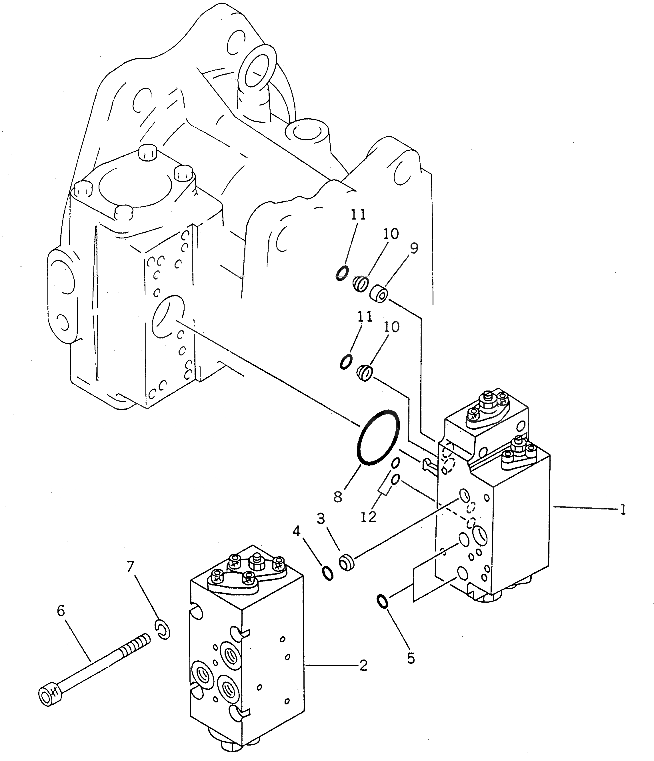
Запчасти Komatsu PC650SE-3 ГИДР. НАСОС.¤ ПОВОРОТН. (КЛАПАН БЛОК) (/7) УПРАВЛ-Е РАБОЧИМ ОБОРУДОВАНИЕМ

Схема запчастей Komatsu PC650SE-3 - ГИДР. НАСОС.¤ ПОВОРОТН. (КЛАПАН БЛОК) (/7) УПРАВЛ-Е РАБОЧИМ ОБОРУДОВАНИЕМ
FIT
1:1
100%

Артикул

Название

Примечание

Количество

|$0

708-17-01031

PUMP ASS'Y

|$1

708-17-01030

PUMP ASS'Y (HPV 160)

|$2

708-17-10100

PUMP ASS'Y (HPV 160)

|$4

708-17-15100

SERVO VALVE ASS'Y

1

708-17-15200

SERVO VALVE SUB A.

2

708-17-17100

VALVE ASS'Y,CO AND NC

3

720-68-11920

FILTER

4

07000-12010

O-RING

5

07000-02011

O-RING

6

708-25-19160

BOLT

7

01602-20825

WASHER,SPRING

8

07000-03048

O-RING

9

708-25-19150

ORIFICE

10

720-68-11920

FILTER

11

07000-12010

O-RING

12

07000-11009

O-RING

Выбрано товаров: 16