Запчасти Komatsu PC650SE-3 ВОЗДУХОВОД (/) (С ВОЗД. ВЛАГООТДЕЛИТЕЛЬ) УПРАВЛ-Е РАБОЧИМ ОБОРУДОВАНИЕМ

Схема запчастей Komatsu PC650SE-3 - ВОЗДУХОВОД (/) (С ВОЗД. ВЛАГООТДЕЛИТЕЛЬ) УПРАВЛ-Е РАБОЧИМ ОБОРУДОВАНИЕМ
FIT
1:1
100%

Артикул

Название

Примечание

Количество

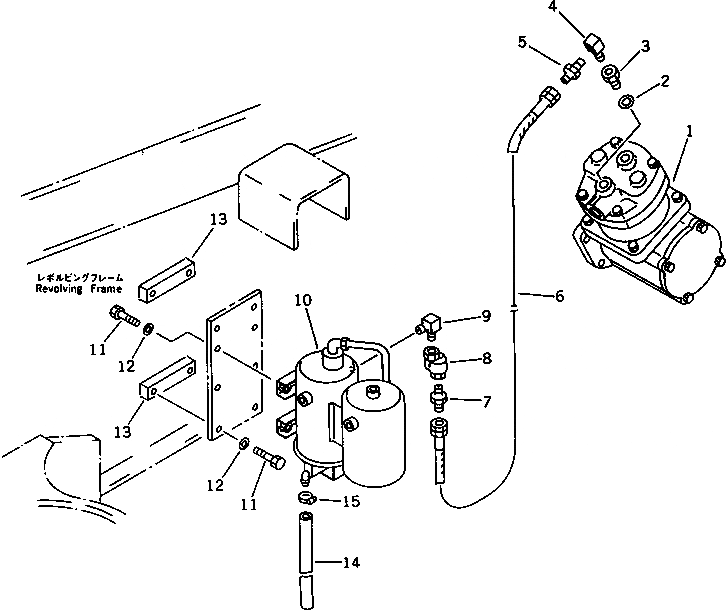
1

6210-81-3111

AIR COMPRESSOR ASS'Y

2

205-68-51210

GASKET

3

209-68-51170

NIPPLE

4

209-68-51180

ELBOW

5

209-68-51110

NIPPLE

6

209-68-11140

HOSE

7

07821-10801

NIPPLE

8

205-68-51180

VALVE

9

21T-68-11390

ELBOW

10

232-44-51200

DRYER

11

01010-51225

BOLT

12

01643-31232

WASHER

13

01573-22312

SEAT,(WELDED TO REVOLVING FRAME)

14

21T-68-11430

TUBE

15

07281-02229

CLAMP

Выбрано товаров: 0