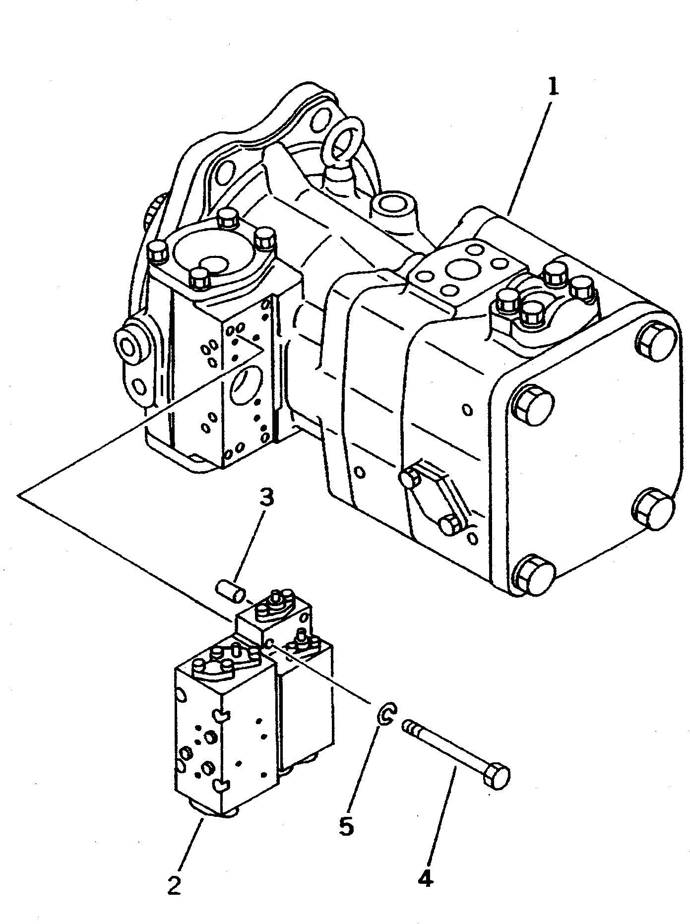
Запчасти Komatsu PC650SE-3 ГИДР. НАСОС.¤ ПОВОРОТН. (НАСОС БЛОК) (/7) УПРАВЛ-Е РАБОЧИМ ОБОРУДОВАНИЕМ

Схема запчастей Komatsu PC650SE-3 - ГИДР. НАСОС.¤ ПОВОРОТН. (НАСОС БЛОК) (/7) УПРАВЛ-Е РАБОЧИМ ОБОРУДОВАНИЕМ
FIT
1:1
100%

Артикул

Название

Примечание

Количество

|1

708-17-01031

PUMP ASS'Y

|1

708-17-01030

PUMP ASS'Y (HPV 160)

|1

708-17-10100

PUMP ASS'Y (HPV 160)

1

708-17-01140

PUMP SUB ASS'Y

|1

708-17-01110

PUMP SUB ASS'Y

|1

708-17-21100

PUMP SUB ASS'Y

2

708-17-15100

SERVO VALVE ASS'Y

3

04020-00616

PIN,DOWEL

4

708-25-19130

BOLT

5

01602-20825

WASHER,SPRING

|5

01602-00825

WASHER,SPRING

Выбрано товаров: 11