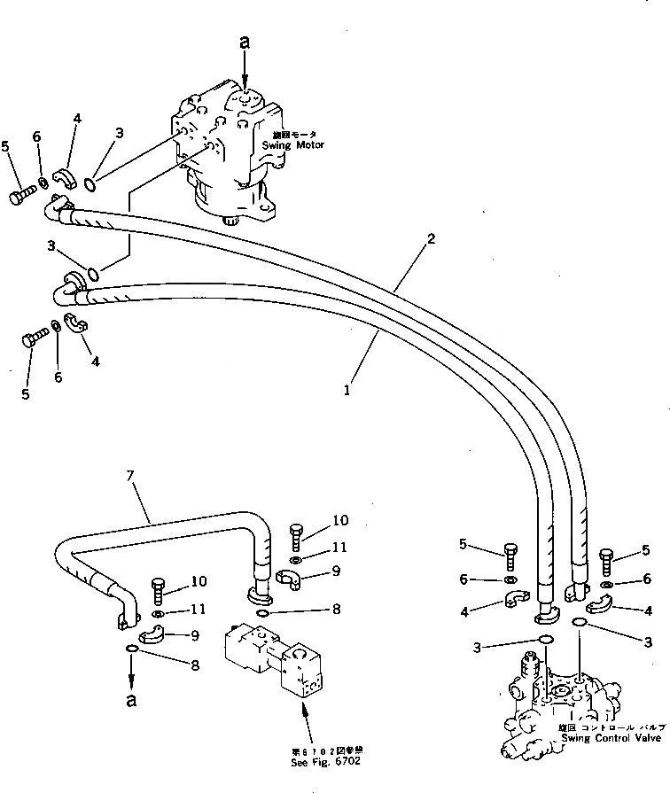
Запчасти Komatsu PC650SE-3 МОТОР ПОВОРОТА ТРУБЫ УПРАВЛ-Е РАБОЧИМ ОБОРУДОВАНИЕМ

Схема запчастей Komatsu PC650SE-3 - МОТОР ПОВОРОТА ТРУБЫ УПРАВЛ-Е РАБОЧИМ ОБОРУДОВАНИЕМ
FIT
1:1
100%

Артикул

Название

Примечание

Количество

1

07098-01012

HOSE

2

07098-01014

HOSE

3

07000-13032

O-RING

4

07371-31049

FLANGE,SPLIT

5

07372-21035

BOLT

6

01643-51032

WASHER

7

07298-01413

HOSE

8

07000-03048

O-RING

9

07371-31465

FLANGE,SPLIT

10

07372-21240

BOLT

11

01643-51232

WASHER

Выбрано товаров: 0