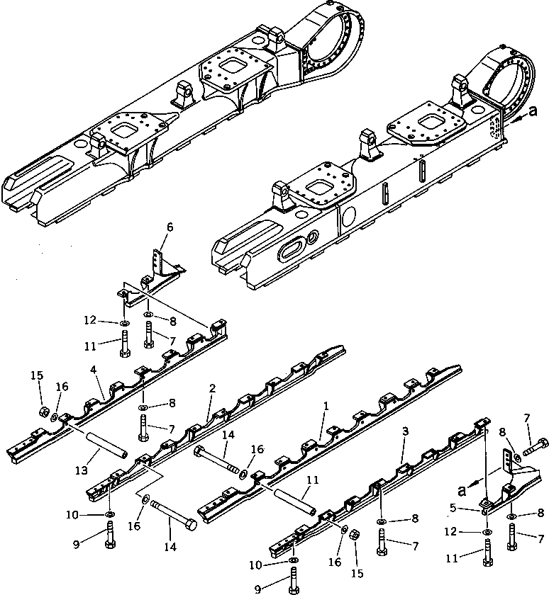
Запчасти Komatsu PC650SE-3 ОПОРНЫЙ КАТОК ПОЛН. ЗАЩИТА ХОДОВАЯ

Схема запчастей Komatsu PC650SE-3 - ОПОРНЫЙ КАТОК ПОЛН. ЗАЩИТА ХОДОВАЯ
FIT
1:1
100%

Артикул

Название

Примечание

Количество

G-1

209-30-X1300

GUARD GROUP

1

209-30-51710

GUARD,L.H. INNER

2

209-30-51720

GUARD,R.H. INNER

3

209-30-51730

GUARD,L.H. OUTER

4

209-30-51740

GUARD,R.H. OUTER

5

209-30-51640

GUARD,L.H.

6

209-30-51650

GUARD,R.H.

7

01010-82460

BOLT

8

01643-32460

WASHER

9

01010-82470

BOLT

10

01643-32460

WASHER

11

01010-82490

BOLT

12

01643-32460

WASHER

13

195-30-37260

SPACER

14

195-30-37250

BOLT

15

01580-12419

NUT

16

01643-32460

WASHER

Выбрано товаров: 17