Качественные детали и логистика
Оригинальные и аналоговые запчасти с доставкой по России, Казахстану и Беларуси
©2022 PartSell ООО "Система" ИНН 2463123282 ОГРН 1212400004838
Центральный офис: г. Красноярск, Академика Киренского, д.87, пом.4
Телефон: 8 (800) 777-65-74 Email: zakaz@partsell.ru
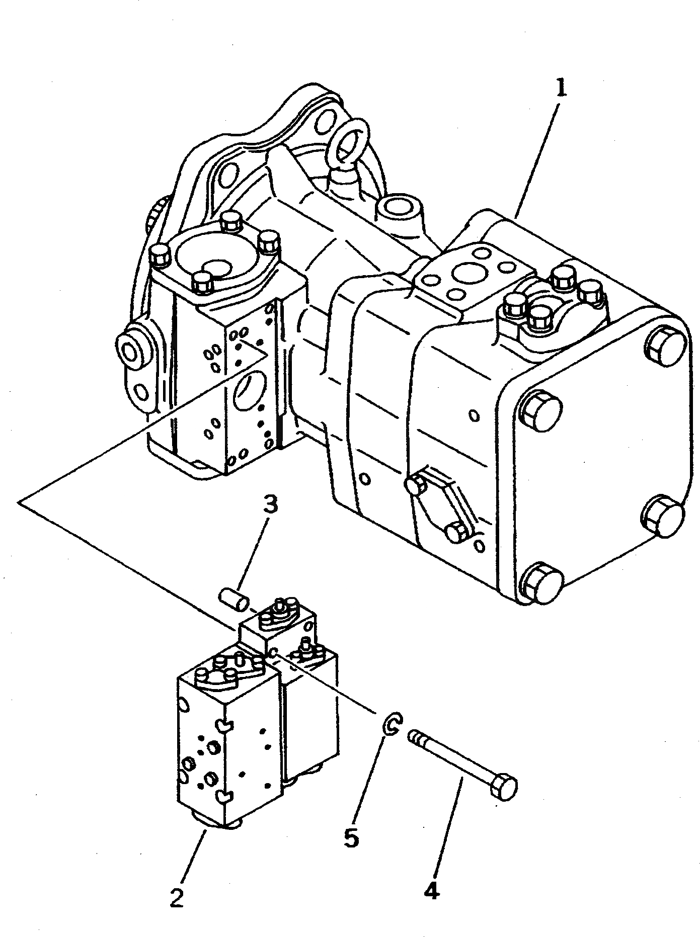
ПОВОРОТН. НАСОС (/7)
№
Артикул
Название
Примечание
Количество
|1
708-17-01040
PUMP ASS'Y,(HPV 160)
1
708-17-01140
PUMP SUB ASS'Y
2
708-17-07130
SERVO VALVE ASS'Y
3
04020-00616
PIN,DOWEL
4
708-25-19130
BOLT
5
01602-20825
WASHER,SPRING
Выбрано товаров: 0