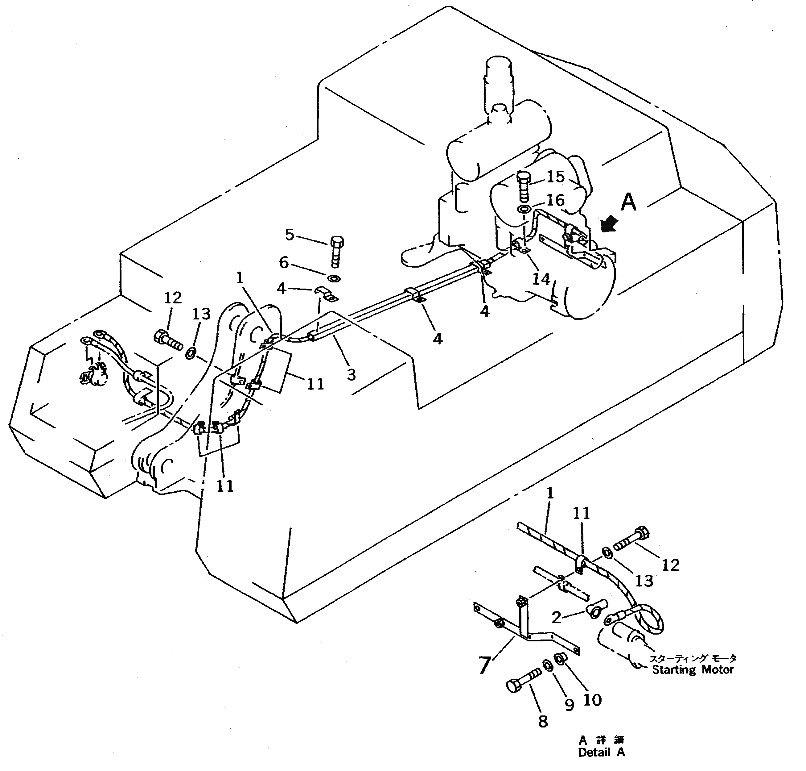
Запчасти Komatsu PC650SE-5 ЭЛЕКТРИКА (ОСНОВН. Э/ПРОВОДКА) (Э/ПРОВОДКА ПЕРЕКЛЮЧАТЕЛЯ - STARTER) ЭЛЕКТРИКА

Схема запчастей Komatsu PC650SE-5 - ЭЛЕКТРИКА (ОСНОВН. Э/ПРОВОДКА) (Э/ПРОВОДКА ПЕРЕКЛЮЧАТЕЛЯ - STARTER) ЭЛЕКТРИКА
FIT
1:1
100%

Артикул

Название

Примечание

Количество

1

209-06-61312

CABLE

|1

209-06-61311

CABLE

2

08038-00035

CAP

3

209-06-61380

DUCT

4

209-06-61410

PLATE

5

01010-51016

BOLT

6

01643-31032

WASHER

7

209-06-61422

BRACKET

8

01010-51235

BOLT

9

01643-31232

WASHER

10

21N-30-11340

COLLAR

11

08036-02514

CLIP

12

01010-51225

BOLT

13

01643-31232

WASHER

14

08036-02514

CLIP

15

01010-51016

BOLT

16

01643-31032

WASHER

Выбрано товаров: 17