Запчасти Komatsu PC650SE-5 ЗАЩИТА ОПОРНЫХ КАТКОВ ХОДОВАЯ

Схема запчастей Komatsu PC650SE-5 - ЗАЩИТА ОПОРНЫХ КАТКОВ ХОДОВАЯ
FIT
1:1
100%

Артикул

Название

Примечание

Количество

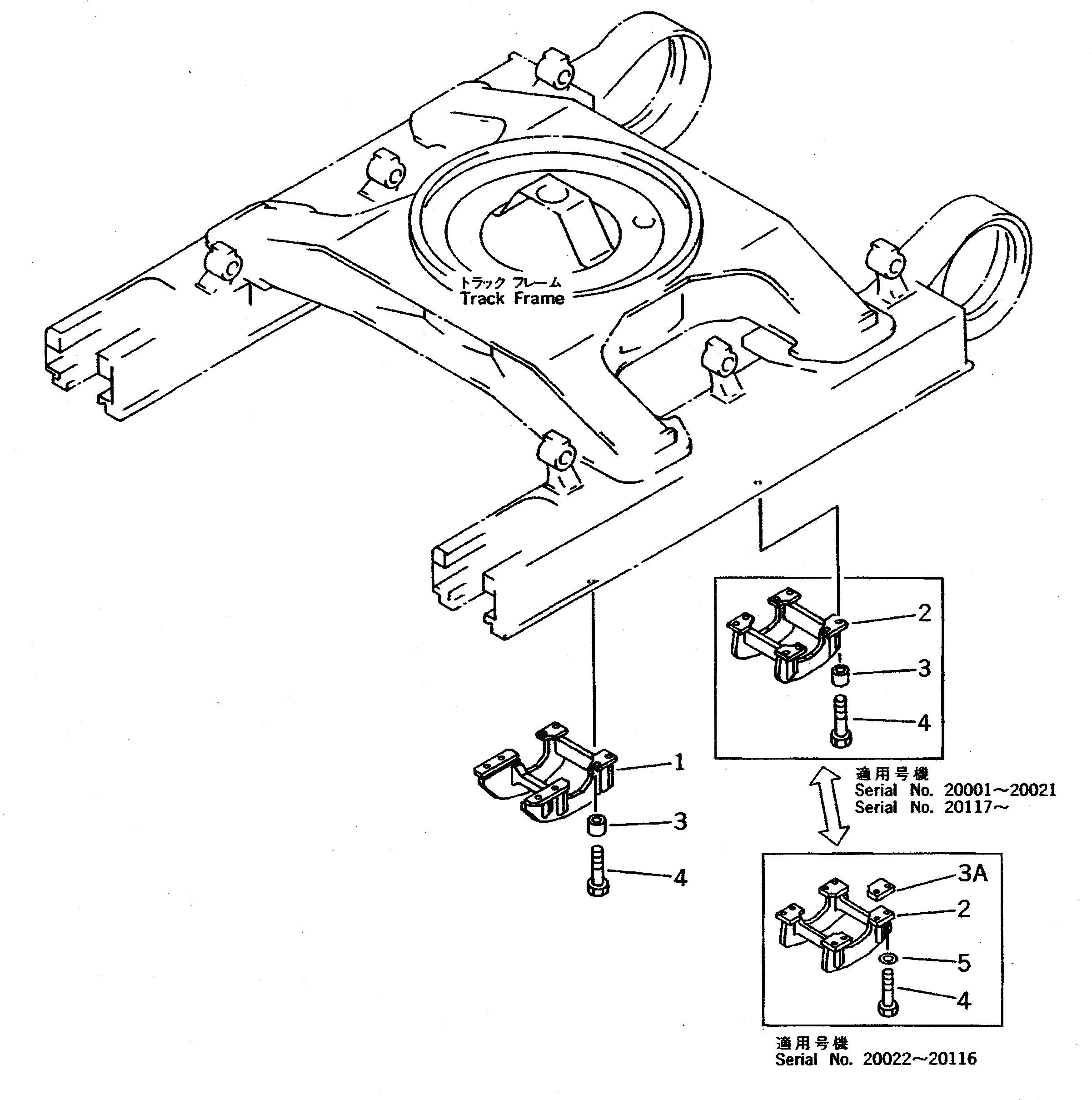
1

209-30-61730

GUARD

2

209-30-61740

GUARD

|2

209-30-11188

GUARD

|2

209-30-61740

GUARD

3

208-30-11380

SPACER

|3

208-30-11380

SPACER

|3

208-30-11380

SPACER

3A

209-30-61790

SPACER

4

01010-82495

BOLT

5

01643-32460

WASHER

Выбрано товаров: 10