Запчасти Komatsu PC650SE-5 МОТОР ПОВОРОТА (/) ПОВОРОТН. КРУГ И КОМПОНЕНТЫ

Схема запчастей Komatsu PC650SE-5 - МОТОР ПОВОРОТА (/) ПОВОРОТН. КРУГ И КОМПОНЕНТЫ
FIT
1:1
100%

Артикул

Название

Примечание

Количество

|$1

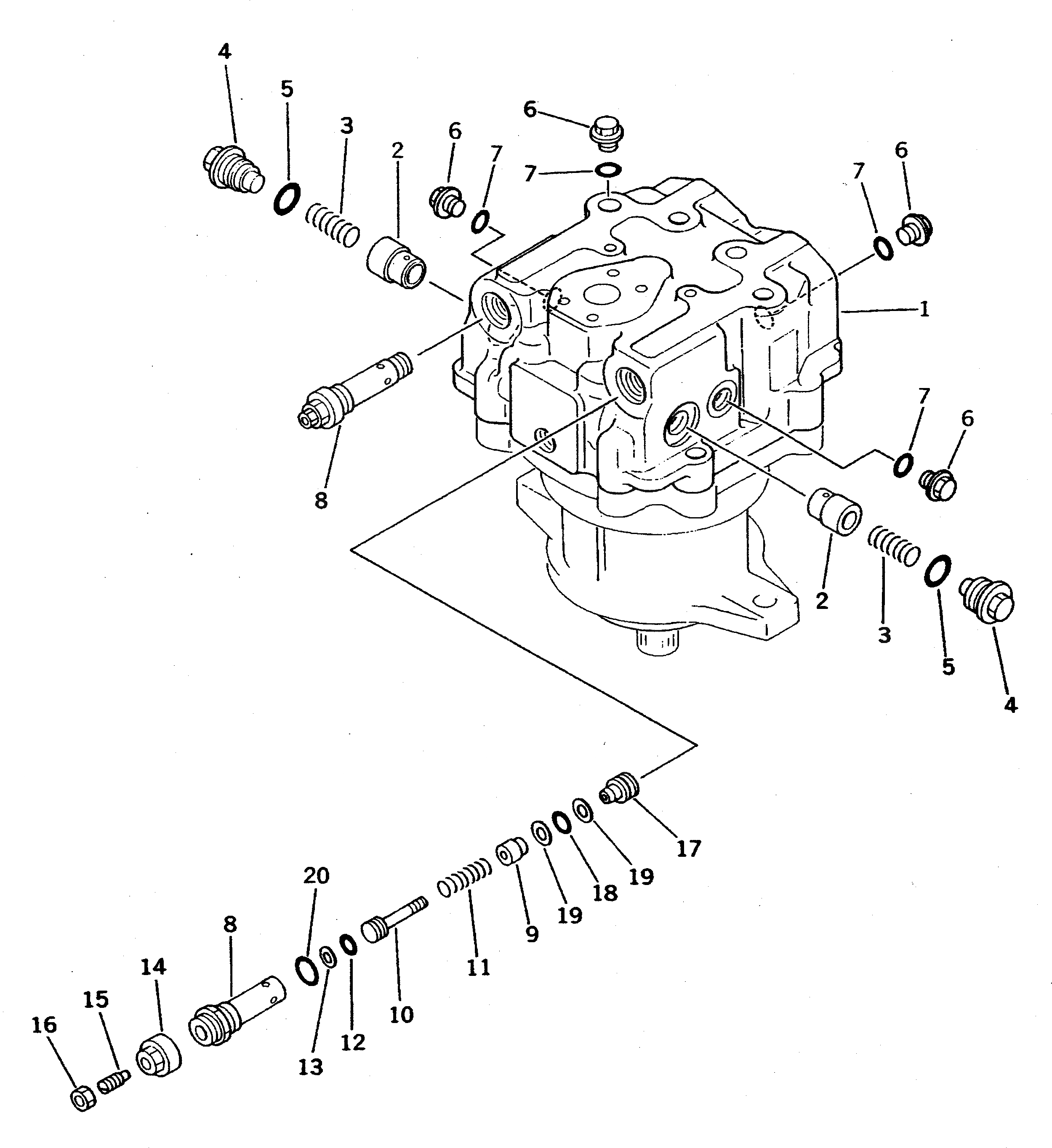
706-77-01124

SWING MOTOR ASS'Y

1

706-77-72112

HOUSING

2

706-77-72130

VALVE

3

706-77-72140

SPRING

4

706-77-72150

PLUG

5

07002-14234

O-RING

6

706-77-72170

PLUG

7

07002-12434

O-RING

|$10

702-77-00200

RELIEF VALVE ASS'Y

8

SLEEVE

9

VALVE

10

PISTON

11

SPRING

12

O-RING

13

RING,BACK-UP

14

PLUG

15

SCREW

16

NUT

17

SEAT,VALVE

18

07000-23022

O-RING

19

07001-03022

RING,BACK-UP

20

07002-13634

O-RING

Выбрано товаров: 0