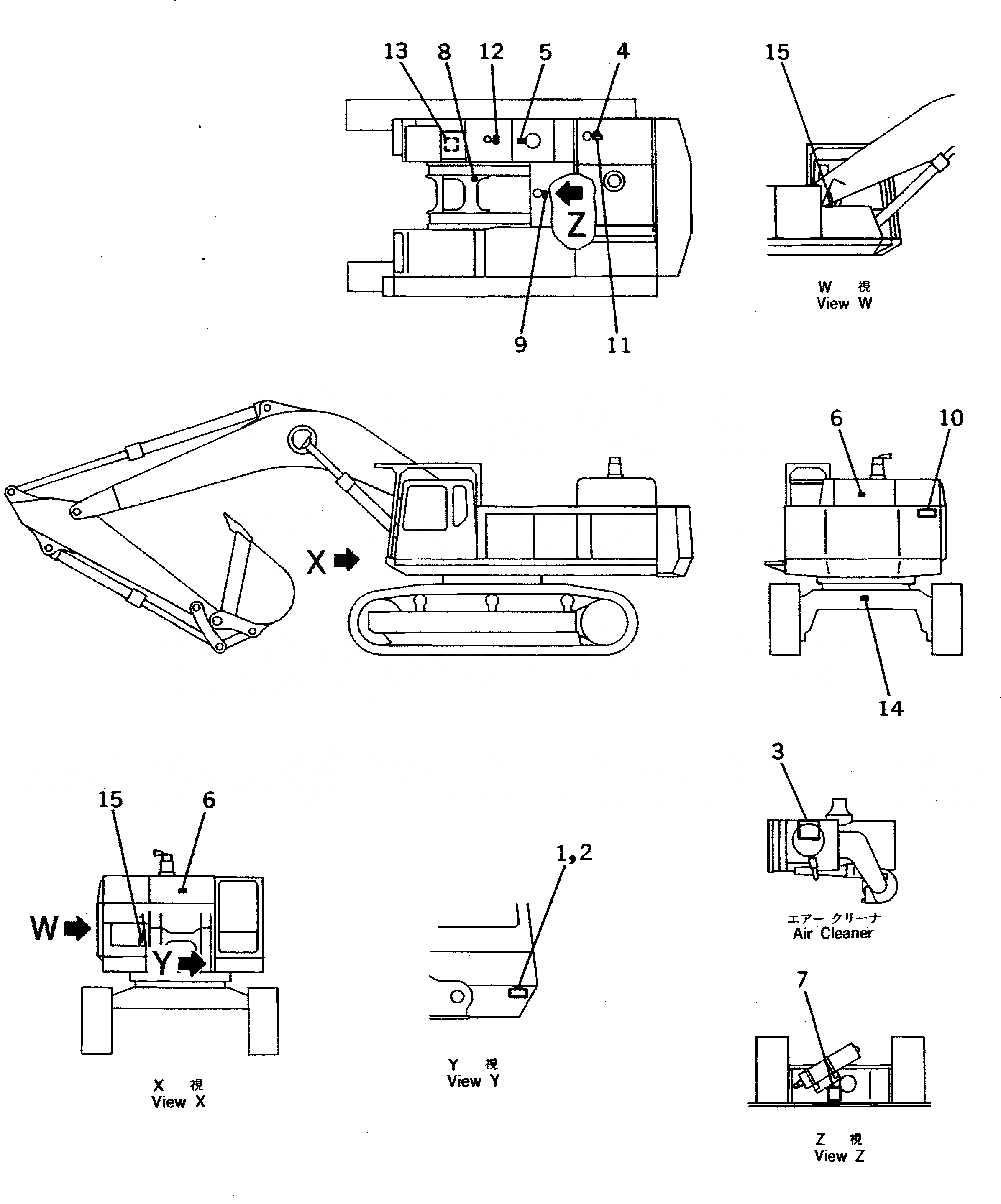
Запчасти Komatsu PC650SE-5 МАРКИРОВКА (OPERATING И ПРЕДУПРЕЖДАЮЩ. МАРКИРОВКА) (АРАБСК.)(№-78) МАРКИРОВКА

Схема запчастей Komatsu PC650SE-5 - МАРКИРОВКА (OPERATING И ПРЕДУПРЕЖДАЮЩ. МАРКИРОВКА) (АРАБСК.)(№-78) МАРКИРОВКА
FIT
1:1
100%

Артикул

Название

Примечание

Количество

1

209-00-65540

PLATE, NAME

1

209-00-18410

PLATE, NAME

2

04418-13060

SCREW

2

01220-60408

SCREW

3

09637-02161

PLATE, INSTRUCTION

4

09668-00200

PLATE, SAFETY

5

09653-00200

PLATE, SAFETY

6

09667-00200

PLATE, SAFETY

7

209-00-58211

PLATE, SAFETY

7

209-00-58210

PLATE, SAFETY

8

209-00-18510

PLATE, CAUTION

9

209-00-18490

PLATE, CAUTION

10

09133-00200

PLATE, SAFETY

11

09650-02101

PLATE, INSTRUCTION

12

09101-00200

PLATE, CAUTION

13

209-00-65510

PLATE

14

209-00-18510

PLATE, CAUTION

15

205-00-63580

PLATE, SAFETY

Выбрано товаров: 18