Запчасти Komatsu PC70-6 ПАНЕЛЬ ПРИБОРОВ КОМПОНЕНТЫ ДВИГАТЕЛЯ И ЭЛЕКТРИКА

Схема запчастей Komatsu PC70-6 - ПАНЕЛЬ ПРИБОРОВ КОМПОНЕНТЫ ДВИГАТЕЛЯ И ЭЛЕКТРИКА
FIT
1:1
100%

Артикул

Название

Примечание

Количество

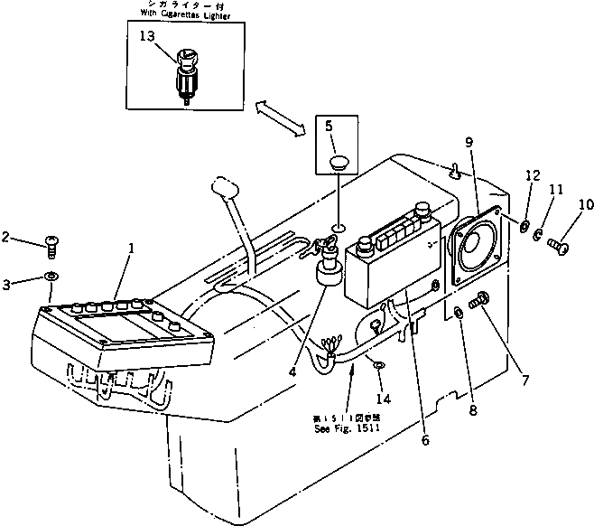
1

7824-83-2000

PANEL,(SEE FIG. 1601)

2

01220-40612

SCREW

3

01641-20608

WASHER

4

08086-20000

SWITCH,STARTING

5

09415-01610

CAP

6

08911-02400

RADIO

7

01220-40510

SCREW

8

01641-20508

WASHER

9

08910-10000

SPEAKER

10

01220-40408

SCREW

11

01601-20410

WASHER,SPRING

12

01642-20405

WASHER

13

08913-02400

LIGHTER

14

362-06-23120

WIRE

Выбрано товаров: 0