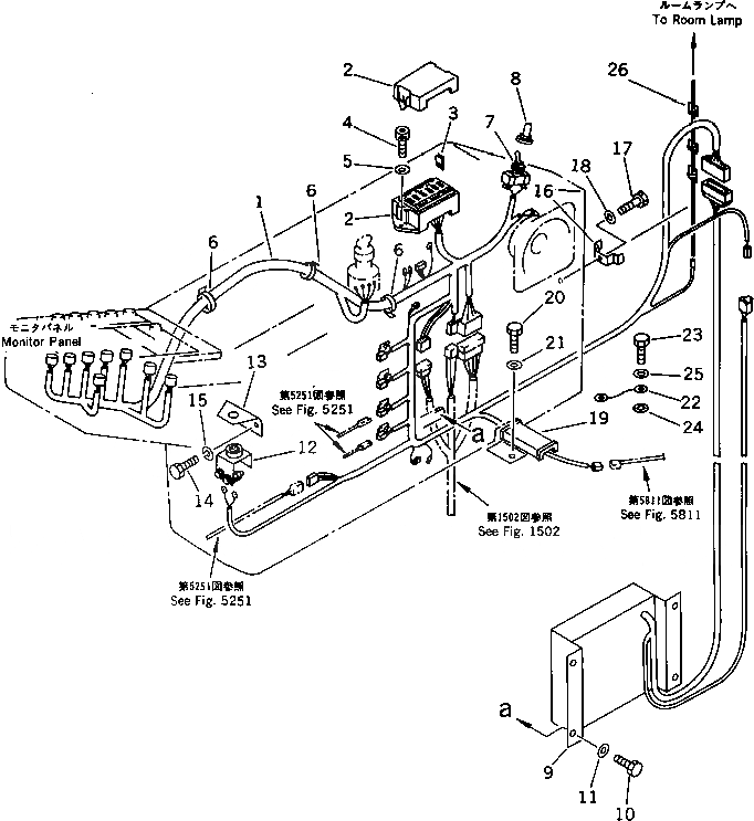
Запчасти Komatsu PC70-6 ЭЛЕКТРИКА (ЛИНИЯ ПАНЕЛИ ПРИБОРОВ) КОМПОНЕНТЫ ДВИГАТЕЛЯ И ЭЛЕКТРИКА

Схема запчастей Komatsu PC70-6 - ЭЛЕКТРИКА (ЛИНИЯ ПАНЕЛИ ПРИБОРОВ) КОМПОНЕНТЫ ДВИГАТЕЛЯ И ЭЛЕКТРИКА
FIT
1:1
100%

Артикул

Название

Примечание

Количество

1

20X-06-32111

WIRE ASS'Y

|1

22W-06-13590

DIODE

2

205-06-71480

FUSE BOX

3

22W-06-13150

FUSE¤ 5A

|3

283-06-16190

FUSE¤ 10A

|3

205-06-73180

FUSE¤ 15A

|3

201-06-61240

FUSE¤ 30A

4

01252-40612

BOLT

5

01641-20608

WASHER

6

08034-00414

BAND

7

203-06-41570

SWITCH,PARKING BRAKE

8

203-06-41680

CAP

9

201-06-62350

BOX,CONTROL

|9

08040-00500

FUSE¤ 5A

10

01010-50816

BOLT

11

01643-30823

WASHER

12

600-815-1361

SIGNAL,GLOW

13

201-06-61340

BRACKET

14

01010-50616

BOLT

15

01602-20619

WASHER,SPRING

16

08053-16212

CLIP

17

01010-51016

BOLT

18

01643-31032

WASHER

19

201-06-62151

COVER

20

01010-51020

BOLT

21

01643-31032

WASHER

22

20Y-06-11940

WIRING HARNESS

23

01010-50816

BOLT

24

01605-10818

WASHER

25

01643-30823

WASHER

26

08051-00801

CLIP

Выбрано товаров: 31