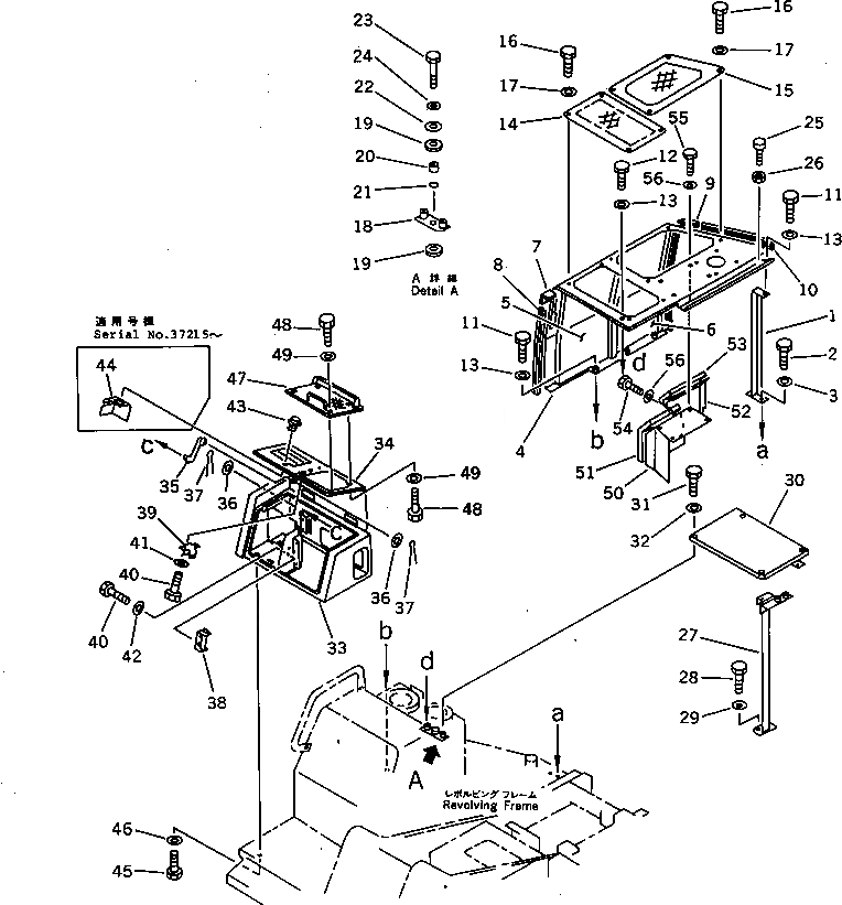
Запчасти Komatsu PC70-6S ПРАВ. КРЫШКА(С CAR ОХЛАДИТЕЛЬ) ЧАСТИ КОРПУСА

Схема запчастей Komatsu PC70-6S - ПРАВ. КРЫШКА(С CAR ОХЛАДИТЕЛЬ) ЧАСТИ КОРПУСА
FIT
1:1
100%

Артикул

Название

Примечание

Количество

1

201-54-61120

BRACKET

2

01010-51030

BOLT

3

01643-31032

WASHER

4

201-54-63860

COVER ASS'Y

5

201-54-62261

SHEET

6

201-54-62270

SHEET

7

201-54-63850

SHEET

8

201-54-64370

SEAL

9

09412-00001

SEAL

10

201-54-64380

SEAL

11

01010-51020

BOLT

12

01010-51045

BOLT

13

01643-31032

WASHER

14

201-54-61622

COVER

15

201-54-62161

COVER

16

01010-51025

BOLT

17

01643-31032

WASHER

18

201-54-62170

PLATE

19

203-62-42770

CUSHION

20

20X-62-21550

SPACER

21

07000-03025

O-RING

22

566-35-42430

PLATE

23

01010-51250

BOLT

24

01643-31232

WASHER

25

203-54-56710

STOPPER

26

01580-11008

NUT

27

201-54-62180

BRACKET

28

01010-51025

BOLT

29

01643-31032

WASHER

30

201-54-61461

COVER

31

01010-51025

BOLT

32

01643-31032

WASHER

|33

201-978-6202

COVER ASS'Y

|33

201-978-6201

COVER ASS'Y

33

COVER

|33

COVER

34

COVER

35

203-54-56630

ROD

36

01643-30623

WASHER

37

04050-11612

PIN,COTTER

38

203-54-56640

BRACKET

39

203-54-56820

CLAMP

40

01010-51020

BOLT

41

01643-31032

WASHER

42

01640-21016

WASHER

43

205-60-71220

LOCK ASS'Y

44

201-978-6680

PLATE

45

01010-51025

BOLT

46

01643-31032

WASHER

47

201-978-6340

COVER

48

01010-50816

BOLT

49

01643-30823

WASHER

50

201-54-63920

COVER ASS'Y

51

201-54-63870

SHEET

52

201-54-63910

COVER ASS'Y

53

201-54-63880

SHEET

54

01010-51020

BOLT

55

01010-51025

BOLT

56

01643-31032

WASHER

Выбрано товаров: 59