Запчасти Komatsu PC70-7E-B КОНДИЦ. ВОЗДУХА (ШЛАНГИ ОХЛАДИТЕЛЯ)(№-7) КАБИНА ОПЕРАТОРА И СИСТЕМА УПРАВЛЕНИЯ

Схема запчастей Komatsu PC70-7E-B - КОНДИЦ. ВОЗДУХА (ШЛАНГИ ОХЛАДИТЕЛЯ)(№-7) КАБИНА ОПЕРАТОРА И СИСТЕМА УПРАВЛЕНИЯ
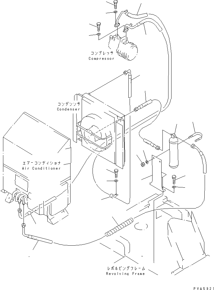
1
2
3
4
5
6
7
8
9
10
10
11
11
12
12
13
13
14
15
16
17
FIT
1:1
100%

Артикул

Название

Примечание

Количество

1

203-979-6610

RECEIVER DRYER

2

201-979-7360

BRACKET

3

01010-51025

BOLT

4

01643-31032

WASHER

5

07283-27060

CLIP

6

01599-01011

NUT

7

01643-31032

WASHER

8

201-979-7511

HOSE

9

201-979-7521

HOSE

10

201-979-7531

HOSE

11

201-979-7541

HOSE

12

01010-50616

BOLT

13

01643-30623

WASHER

14

04434-51910

CLIP

15

01010-51025

BOLT

16

01643-31032

WASHER

17

08210-01803

SPIRAL TUBE

Выбрано товаров: 17