Качественные детали и логистика
Оригинальные и аналоговые запчасти с доставкой по России, Казахстану и Беларуси
©2022 PartSell ООО "Система" ИНН 2463123282 ОГРН 1212400004838
Центральный офис: г. Красноярск, Академика Киренского, д.87, пом.4
Телефон: 8 (800) 777-65-74 Email: zakaz@partsell.ru
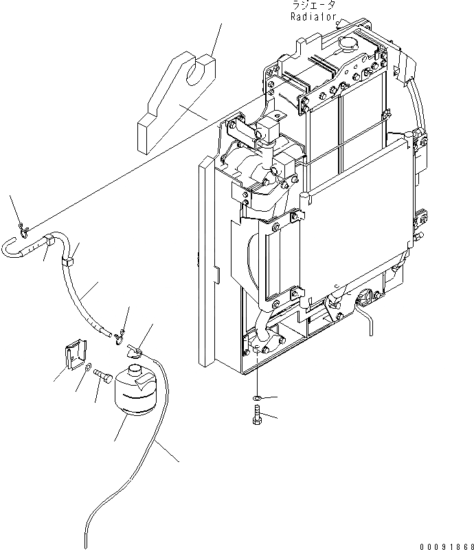
ОХЛАЖД-Е (ВТОРИЧН. БАК)
№
Артикул
Название
Примечание
Количество
1
201-03-71810
TANK
2
417-03-21350
CAP
3
201-03-81421
HOSE
4
362-03-14120
BRACKET
5
01010-80616
BOLT
6
01643-30623
WASHER
7
201-03-81231
HOSE ASS'Y
8
08211-11320
CLIP
9
206-03-43340
10
01010-81235
11
01643-31232
12
201-03-81991
SHEET
Выбрано товаров: 0