Запчасти Komatsu PC70-8 КАБИНА (ПОЛ) (P.P.C. КЛАПАН ТРУБЫ, ПРАВ.) K [КАБИНА ОПЕРАТОРА И СИСТЕМА УПРАВЛЕНИЯ]

Схема запчастей Komatsu PC70-8 - КАБИНА (ПОЛ) (P.P.C. КЛАПАН ТРУБЫ, ПРАВ.) K [КАБИНА ОПЕРАТОРА И СИСТЕМА УПРАВЛЕНИЯ]
FIT
1:1
100%

Артикул

Название

Примечание

Количество

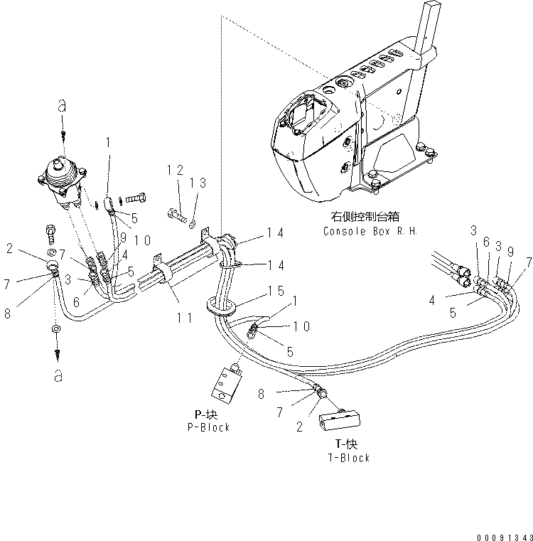
1

201-62-83160

HOSE

2

201-62-83261

HOSE

3

201-62-83211

HOSE

4

201-62-83231

HOSE

5

20Y-62-22790

BAND, RED

6

20Y-62-22810

BAND, YELLOW

7

20Y-62-22820

BAND, BLUE

8

20Y-62-22830

BAND, WHITE

9

20Y-62-22840

BAND, BLACK

10

20Y-62-22850

BAND, GREEN

11

208-06-19170

CLIP

12

01010-81020

BOLT

13

01643-31032

WASHER

14

08034-20536

BAND

15

426-09-11230

GROMMET

Выбрано товаров: 15