Запчасти Komatsu PC70-8 КОВШ .7M 8MM (УСИЛ. ТИП) T [РАБОЧЕЕ ОБОРУДОВАНИЕ]

Схема запчастей Komatsu PC70-8 - КОВШ .7M 8MM (УСИЛ. ТИП) T [РАБОЧЕЕ ОБОРУДОВАНИЕ]
4
3
5
8
8
7
9
2
6
9
1
12
11
10
10
FIT
1:1
100%

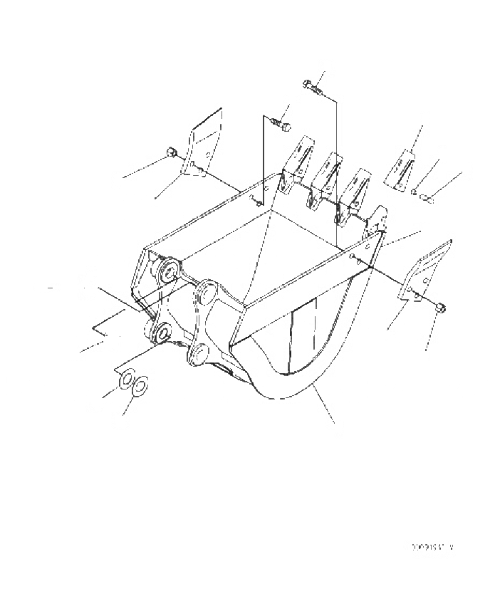
Артикул

Название

Примечание

Количество

1

201-920-8120

BUCKET

|$2

201-920-8B30

PLATE

|$3

201-920-8B40

PLATE,L.H

|$4

201-920-8B50

PLATE,R.H

|$5

20X-70-14151

ADAPTER

2

201-920-8A80

PLATE

3

20X-70-14160

TOOTH

4

20X-70-14170

PIN

5

20X-70-14180

SPRING

6

201-70-74171

SIDE CUTTER

7

201-70-74181

SIDE CUTTER

8

21W-70-21810

BOLT

9

01803-02228

NUT

10

175-30-16210

O-RING

11

135-70-13251

SPACER, 1.6MM

12

201-70-22150

SPACER, 1.0MM

Выбрано товаров: 16