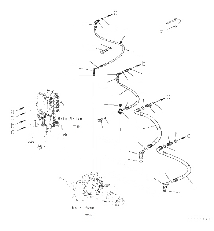
Запчасти Komatsu PC70-8 ПОДАЮЩ. ТРУБЫ H [ГИДРАВЛИКА]

Схема запчастей Komatsu PC70-8 - ПОДАЮЩ. ТРУБЫ H [ГИДРАВЛИКА]
15
13
16
14
12
18
17
15
14
24
26
25
26
27
23
20
22
19
27
11
5
4
3
2
5
8
9
21
10
10
1
4
6
7
9
FIT
1:1
100%

Артикул

Название

Примечание

Количество

1

02782-10628

ELBOW

2

201-62-82111

HOSE

3

02781-00628

UNION

4

07002-12434

O-RING

5

02896-11018

O-RING

6

02782-10630

ELBOW

7

201-62-82121

HOSE

8

02781-00628

UNION

9

07002-12434

O-RING

10

02896-11018

O-RING

11

02782-10212

ELBOW

12

201-62-82141

HOSE, FACE SEAL TYPE

|$13

21U-62-34750

BAND, BLUE

13

201-62-83990

ELBOW

14

07002-11423

O-RING

15

02896-11008

O-RING

16

04434-51310

CLIP

17

01010-81016

BOLT

18

01643-31032

WASHER

19

201-62-83631

ELBOW

20

21W-62-44920

BLEEDER

21

201-62-81150

PLUG

22

07002-11023

O-RING

23

201-62-82151

HOSE

24

21W-62-43950

ELBOW ASS'Y

25

203-62-58880

ADAPTER

26

07002-11423

O-RING

27

02896-11009

O-RING

Выбрано товаров: 28