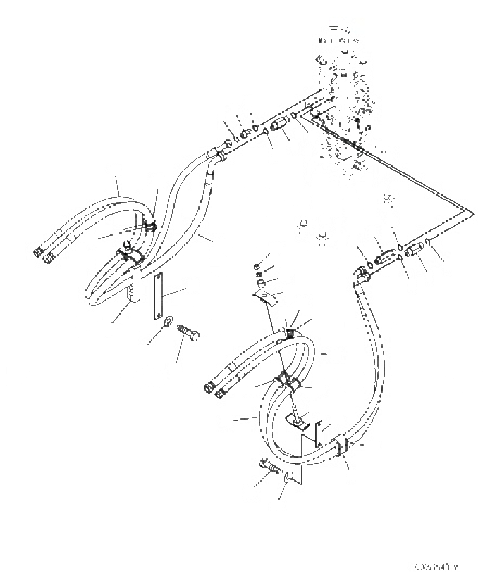
Запчасти Komatsu PC70-8 РУКОЯТЬ И КОВШ ТРУБЫ H [ГИДРАВЛИКА]

Схема запчастей Komatsu PC70-8 - РУКОЯТЬ И КОВШ ТРУБЫ H [ГИДРАВЛИКА]
6
4
5
3
1
2
28
13
14
20
27
26
22
29
28
29
10
21
9
7
8
3
1
2
24
23
15
16
17
20
19
12
25
19
29
11
18
FIT
1:1
100%

Артикул

Название

Примечание

Количество

1

21W-62-42481

NIPPLE

2

07002-12434

O-RING

3

02896-11015

O-RING

4

02781-00422

UNION

5

07002-12034

O-RING

6

02896-11012

O-RING

7

21W-62-42470

NIPPLE

8

07002-12034

O-RING

9

02896-11012

O-RING

10

201-62-82262

HOSE

11

201-62-82251

HOSE

12

201-62-82282

HOSE

13

201-62-82273

HOSE

14

201-62-72841

PLATE

15

201-62-81652

PLATE

16

201-62-81660

CUSHION

17

201-62-81671

CUSHION

18

201-62-84211

CUSHION

19

01010-81025

BOLT

20

01643-31032

WASHER

21

203-937-7890

COLLAR

22

07094-30417

CLAMP

23

201-62-84242

CLAMP

24

07095-00420

CUSHION

25

07095-00526

CUSHION

26

01643-31232

WASHER

27

01580-11210

NUT

28

07095-00525

CUSHION

29

08034-20536

BAND

Выбрано товаров: 29