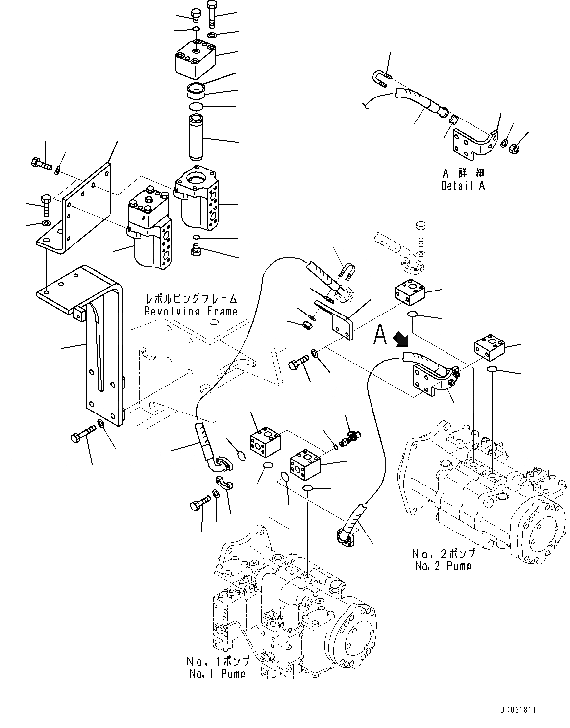
Запчасти Komatsu PC700LC-8E0 ПОДАЮЩ. ТРУБЫ, НАСОС - ФИЛЬТР. (№-) ПОДАЮЩ. ТРУБЫ

Схема запчастей Komatsu PC700LC-8E0 - ПОДАЮЩ. ТРУБЫ, НАСОС - ФИЛЬТР. (№-) ПОДАЮЩ. ТРУБЫ
1
1
27
22
23
20
26
24
25
29
37
36
28
33
35
31
30
34
21
18
28
19
21
19
13
9
10
11
6
12
7
8
32
14
2
18
27
5
15
17
16
4
15
2
14
3
1
10
12
13
11
6
FIT
1:1
100%

Артикул

Название

Примечание

Количество

1

21M-62-11750

Hose

2

07000-B3025

O-ring

3

07371-30640

Flange, Split

4

07372-21035

Bolt

5

01643-51032

Washer

6

21M-62-31240

Bracket

7

21M-62-31250

Bracket

8

01010-81230

Bolt

9

01643-31232

Washer

10

07283-32244

Clip

11

07283-52232

Seat

12

01597-01009

Nut

13

01643-31032

Washer

14

21M-62-31310

Block

15

07000-B3032

O-ring

16

209-62-61310

Nipple Assembly

17

209-62-61330

O-ring

18

21M-62-11110

Block

19

07000-B3032

O-ring

|$19

21M-60-11301

Filter Assembly

20

21M-60-11311

Case

21

Case

22

01010-81285

Bolt

23

01643-51232

Washer

24

07000-12055

O-ring

25

07000-13038

O-ring

26

07001-02055

Ring, Back-up

27

07002-11023

O-ring

28

07040-11007

Plug

29

07063-21200

Element

30

01010-81235

Bolt

31

01643-31232

Washer

32

21M-62-11621

Bracket

33

01010-81250

Bolt

34

175-54-34170

Washer

35

21M-62-21470

Bracket

36

01010-81680

Bolt

37

01643-31645

Washer

Выбрано товаров: 38