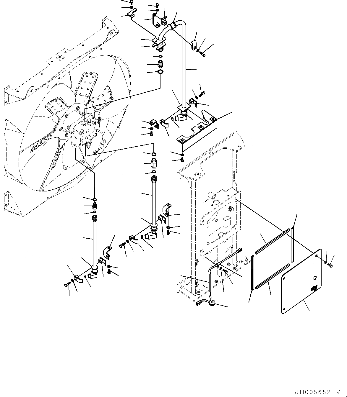
Запчасти Komatsu PC700LC-8E0 СИСТЕМА ОХЛАЖДЕНИЯ, МОТОР ВЕНТИЛЯТОРА ТРУБЫ (№-) СИСТЕМА ОХЛАЖДЕНИЯ

Схема запчастей Komatsu PC700LC-8E0 - СИСТЕМА ОХЛАЖДЕНИЯ, МОТОР ВЕНТИЛЯТОРА ТРУБЫ (№-) СИСТЕМА ОХЛАЖДЕНИЯ
3
23
35
2
1
7
7
34
33
22
21
6
6
6
6
8
9
9
8
27
39
38
38
18
17
16
19
10
11
55
54
30
42
40
28
49
50
51
31
43
53
13
14
57
56
52
44
32
41
29
36
37
24
25
15
12
5
4
20
26
26
47
48
46
46
46
46
45
FIT
1:1
100%

Артикул

Название

Примечание

Количество

1

21M-03-22131

Tube

2

02896-61018

O-ring

3

02781-00628

Union

4

02896-61018

O-ring

5

07002-62434

O-ring

6

07094-10518

Clamp

7

07095-00526

Cushion

8

01010-81270

Bolt

9

01643-31232

Washer

10

21M-03-22160

Bracket

11

01010-81230

Bolt

12

01643-31232

Washer

13

21M-03-22180

Bracket

14

01010-81230

Bolt

15

01643-31232

Washer

16

209-03-41860

Bracket

17

209-03-41870

Cover

18

209-03-41880

Sheet

19

01010-81035

Bolt

20

01643-31032

Washer

21

21M-03-22140

Tube

22

02896-61018

O-ring

23

22U-62-21480

Nipple

24

02896-61018

O-ring

25

07002-62434

O-ring

26

07094-10518

Clamp

27

07095-00526

Cushion

28

01010-81270

Bolt

29

01643-31232

Washer

30

21M-03-22170

Bracket

31

01010-81230

Bolt

32

01643-31232

Washer

33

21M-03-22150

Tube

34

02896-61012

O-ring

35

02781-00516

Union

36

02896-61015

O-ring

37

07002-62034

O-ring

38

07094-10417

Clamp

39

07095-00420

Cushion

40

01010-81270

Bolt

41

01643-31232

Washer

42

21M-03-22170

Bracket

43

01010-81230

Bolt

44

01643-31232

Washer

45

21M-03-22121

Cover

45

21M-03-22120

Cover

46

21T-03-32750

Sheet

47

01010-81230

Bolt

48

01643-31232

Washer

49

21M-06-21190

Wiring Harness

50

04434-51012

Clip

51

01010-81225

Bolt

52

01643-31232

Washer

53

20Y-54-65180

Grommet

54

21M-03-22191

Cover

55

21M-03-22220

Sheet

56

01010-81235

Bolt

57

01643-31232

Washer

Выбрано товаров: 58