Запчасти Komatsu PC700LC-8E0 ОСНОВНАЯ РАМА ЗАЩИТА НИЖНЕЙ ЧАСТИ, ДОПОЛН. ФРОНТАЛЬНАЯ ЗАЩИТА (№-) ОСНОВНАЯ РАМА ЗАЩИТА НИЖНЕЙ ЧАСТИ

Схема запчастей Komatsu PC700LC-8E0 - ОСНОВНАЯ РАМА ЗАЩИТА НИЖНЕЙ ЧАСТИ, ДОПОЛН. ФРОНТАЛЬНАЯ ЗАЩИТА (№-) ОСНОВНАЯ РАМА ЗАЩИТА НИЖНЕЙ ЧАСТИ
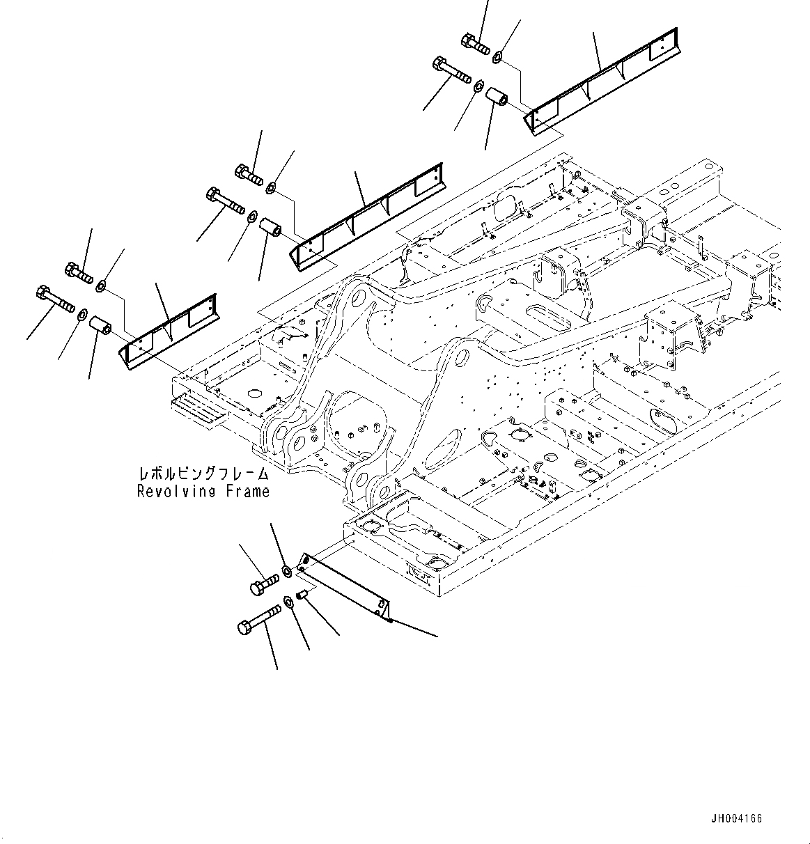
1
2
3
4
5
6
7
8
8
7
6
5
4
7
4
6
5
8
11
12
10
9
13
14
FIT
1:1
100%

Артикул

Название

Примечание

Количество

1

21M-46-15410

Deck Guard

2

21M-46-15420

Deck Guard

3

21M-46-15430

Deck Guard

4

205-03-71331

Collar

5

01010-81280

Bolt

6

01643-31232

Washer

7

01010-81235

Bolt

8

01643-31232

Washer

9

21M-46-32940

Deck Guard

10

205-03-71331

Collar

11

01010-81280

Bolt

12

01643-31232

Washer

13

01010-81235

Bolt

14

01643-31232

Washer

Выбрано товаров: 14