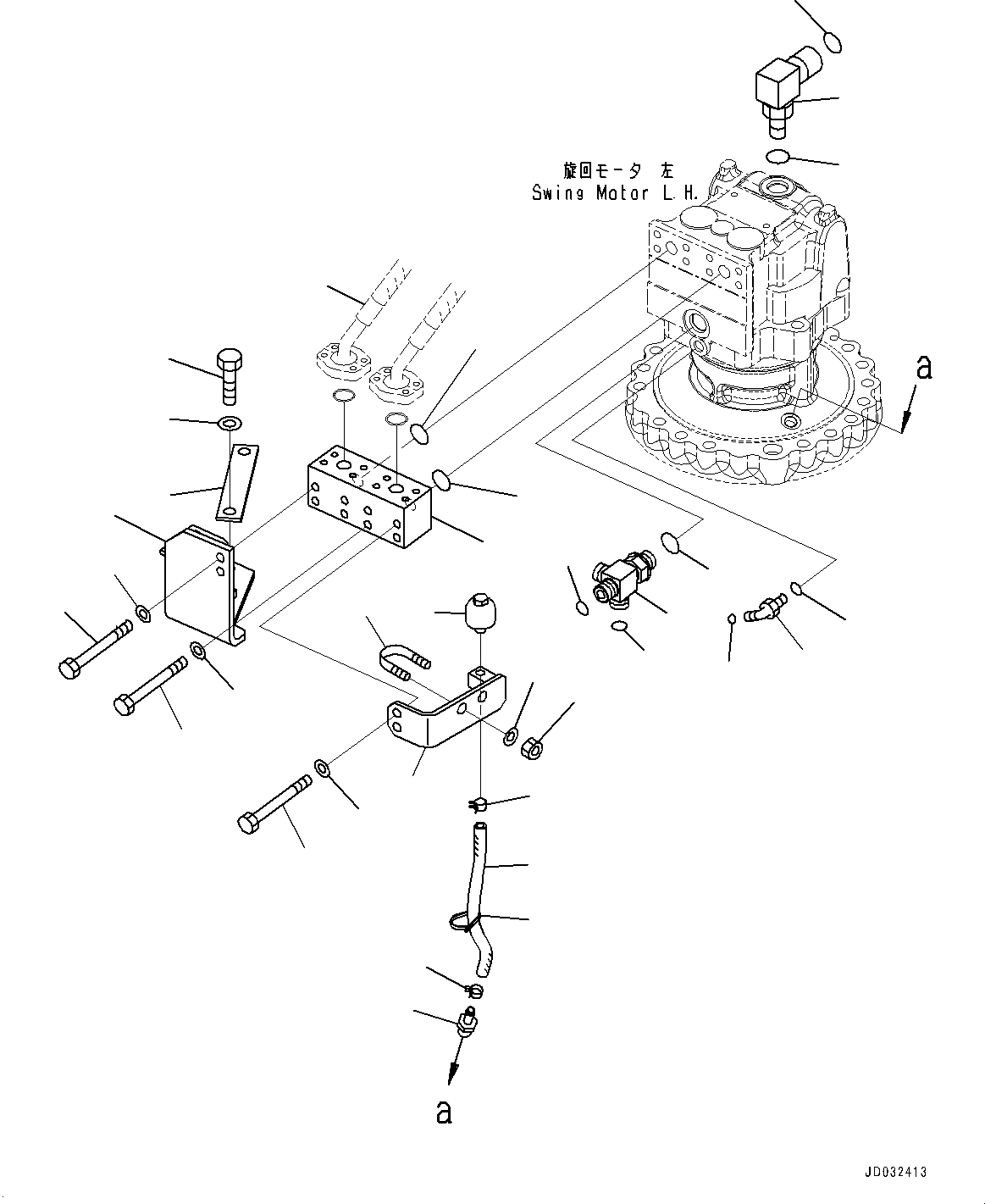
Запчасти Komatsu PC700LC-8E0 МЕХАНИЗМ ПОВОРОТА И МОТОР, БЛОК (/) (№-) МЕХАНИЗМ ПОВОРОТА И МОТОР

Схема запчастей Komatsu PC700LC-8E0 - МЕХАНИЗМ ПОВОРОТА И МОТОР, БЛОК (/) (№-) МЕХАНИЗМ ПОВОРОТА И МОТОР
29
4
6
2
2
12
15
14
18
17
11
1
3
7
8
10
9
7
8
21
22
23
20
5
19
16
13
13
28
26
27
25
26
24
FIT
1:1
100%

Артикул

Название

Примечание

Количество

1

20Y-62-21421

Block

2

07000-13030

O-ring

3

21M-26-31250

Bracket

4

207-977-5120

Bracket

5

01010-81230

Bolt

6

01643-31232

Washer

7

01010-81080

Bolt

8

01643-31032

Washer

9

01010-81075

Bolt

10

01643-31032

Washer

11

11Y-62-12450

Tee

12

07002-12434

O-ring

13

02896-11015

O-ring

14

207-62-72131

Elbow

15

07002-12434

O-ring

16

207-62-64740

O-ring

17

02782-10311

Elbow

18

07002-11423

O-ring

19

02896-11009

O-ring

20

21M-26-21190

Bracket

21

07283-22738

Clip

22

01643-31032

Washer

23

01597-01009

Nut

24

07030-00252

Breather

25

07286-01025

Hose

26

07285-00130

Clip

27

08034-40521

Band

28

6138-55-7610

Nipple

29

07097-00607

Hose, Flange Type

Выбрано товаров: 29