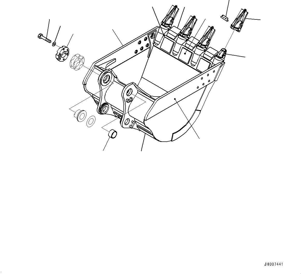
Запчасти Komatsu PC700LC-8E0 КОВШ (№-) КОВШ, .7M, MM ШИР., KMAX TOOTH, THRUST ADJUSTMENT, БОКОРЕЗЫ

Схема запчастей Komatsu PC700LC-8E0 - КОВШ (№-) КОВШ, .7M, MM ШИР., KMAX TOOTH, THRUST ADJUSTMENT, БОКОРЕЗЫ
13
12
11
10
1
5
4
3
7
2
9
8
6
FIT
1:1
100%

Артикул

Название

Примечание

Количество

1

21M-70-24112

Bucket

2

21M-939-2261

Adapter,Welded

3

21M-70-24120

Plate,Welded

4

21M-70-24130

Plate,Welded

5

21M-70-24140

Plate,Welded

6

21M-70-24A40

Plate,Welded

7

21M-939-2252

Shroud,Welded

8

21M-939-2311

Tooth

9

21M-939-2291

Pin Assembly

10

209-70-54171

Cover

11

01010-82480

Bolt

12

01643-32460

Washer

13

209-72-54220

Bushing

Выбрано товаров: 13