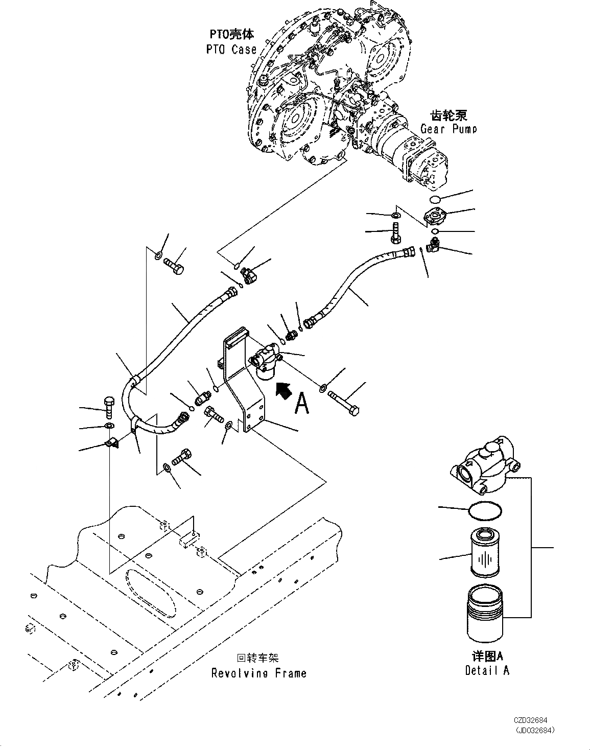
Запчасти Komatsu PC700LC-8E0 PTO (МЕХ-М ОТБОРА МОЩНОСТИ) (BAD ТОПЛИВН. И ПЛОХ. ТОПЛИВО СПЕЦ-ЯIFICATION, ВОДН.+DUST) (ВСАСЫВ. ТРУБЫ) B [КОМПОНЕНТЫ ДВИГАТЕЛЯ]

Схема запчастей Komatsu PC700LC-8E0 - PTO (МЕХ-М ОТБОРА МОЩНОСТИ) (BAD ТОПЛИВН. И ПЛОХ. ТОПЛИВО СПЕЦ-ЯIFICATION, ВОДН.+DUST) (ВСАСЫВ. ТРУБЫ) B [КОМПОНЕНТЫ ДВИГАТЕЛЯ]
17
26
27
4
1
3
27
7
2
26
30
28
5
29
6
23
10
9
8
11
25
22
12
16
20
15
21
18
24
19
25
26
27
14
12
13
FIT
1:1
100%

Артикул

Название

Примечание

Количество

1

21M-38-21490

FLANGE

2

01010-81030

BOLT

3

01643-31032

WASHER

4

07000-E3038

O-RING

5

21M-38-21470

ELBOW

6

02896-21015

O-RING

7

07002-22034

O-RING

8

02774-00503

HOSE

|$9

02762-00503

HOSE

9

21N-64-36620

NIPPLE

10

02896-21015

O-RING

11

07000-E2018

O-RING

|$13

07002-21823

O-RING

12

209-01-42251

FILTER ASSEMBLY

13

209-01-42260

ELEMENT ASSEMBLY

14

07000-F2065

O-RING

15

01011-81000

BOLT

16

01643-31032

WASHER

17

21M-38-31110

BRACKET

18

01010-81230

BOLT

19

01643-31232

WASHER

20

418-18-32342

ELBOW

21

02896-21015

O-RING

22

07000-E2018

O-RING

|$25

07002-21823

O-RING

23

21M-38-D1130

HOSE

|$27

21M-38-31130

HOSE

24

17M-49-15260

BRACKET

25

04434-52312

CLIP

26

01010-81225

BOLT

27

01643-31232

WASHER

28

02782-10522

ELBOW

29

02896-21015

O-RING

30

07002-22434

O-RING

Выбрано товаров: 34