Запчасти Komatsu PC700LC-8E0 ПОРШЕНЬ НАСОС (ВНУТР. ЧАСТИ, NO. НАСОС) (/) H [ГИДРАВЛИКА]

Схема запчастей Komatsu PC700LC-8E0 - ПОРШЕНЬ НАСОС (ВНУТР. ЧАСТИ, NO. НАСОС) (/) H [ГИДРАВЛИКА]
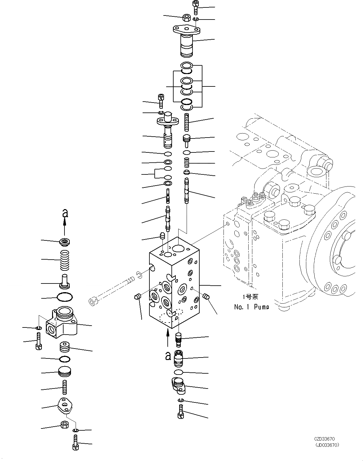
1
2
2
3
4
5
6
30
8
9
10
11
12
13
14
2
15
16
17
18
19
20
21
22
23
24
25
26
27
35
36
28
29
7
31
32
32
33
34
35
36
37
38
28
29
8
FIT
1:1
100%

Артикул

Название

Примечание

Количество

|$1

708-2L-00772

PUMP ASSEMBLY

|$2

708-2L-00771

PUMP ASSEMBLY

|$3

708-25-85271

VALVE ASSEMBLY, SERVO, REAR

|$4

708-25-09681

VALVE ASSEMBLY, NC AND CUT-OFF, CO+NC

|$5

708-23-00441

BODY ASSEMBLY

1

BODY

2

EXPANDER

3

708-25-17460

PLUG

4

708-25-17430

SCREW

5

07000-B2010

O-RING

6

708-25-17131

COVER

7

01580-10806

NUT

8

708-25-17141

SPOOL

9

708-25-17150

SLEEVE

10

708-25-17160

PISTON

11

708-25-17170

COVER

12

07000-B2014

O-RING

13

708-25-17180

SEAT

14

708-25-17690

SPRING

15

708-25-17220

PISTON

16

708-25-17370

SEAT

17

708-25-17250

SPRING

18

708-25-17470

SEAT

19

708-23-17290

COVER

20

07000-B3028

O-RING

21

708-25-17380

PLUG

22

708-25-15340

SCREW

23

07000-B2021

O-RING

24

708-23-17240

COVER

25

708-25-17480

PISTON

26

01252-60630

BOLT, HEXAGON SOCKET HEAD

27

01602-20619

WASHER

28

01252-60616

BOLT, HEXAGON SOCKET HEAD

29

01602-20619

WASHER

30

01580-10806

NUT

31

07000-B2012

O-RING

32

07001-02012

RING, BACK-UP

33

708-25-17451

SLEEVE

34

07000-B2012

O-RING

35

01252-60616

BOLT, HEXAGON SOCKET HEAD

Выбрано товаров: 40