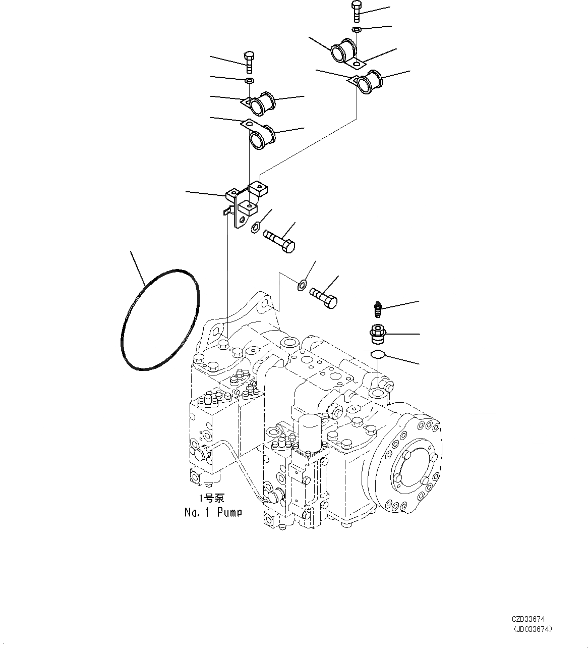
Запчасти Komatsu PC700LC-8E0 ПОРШЕНЬ НАСОС (СОЕДИНИТЕЛЬН. ЧАСТИ) H [ГИДРАВЛИКА]

Схема запчастей Komatsu PC700LC-8E0 - ПОРШЕНЬ НАСОС (СОЕДИНИТЕЛЬН. ЧАСТИ) H [ГИДРАВЛИКА]
11
13
12
13
4
14
3
2
1
8
10
9
6
5
9
10
7
5
8
6
7
FIT
1:1
100%

Артикул

Название

Примечание

Количество

1

706-87-40150

PLUG

2

20B-27-11210

BLEEDER

3

07002-12434

O-RING

4

21M-62-21362

BRACKET

5

04434-53412

CLIP

6

07095-20627

CUSHION

7

04434-52112

CLIP

8

07095-20314

CUSHION

9

01010-81225

BOLT

10

01643-31232

WASHER

11

01010-81650

BOLT

12

01010-81665

BOLT

13

01643-31645

WASHER

14

07000-15230

O-RING

Выбрано товаров: 14