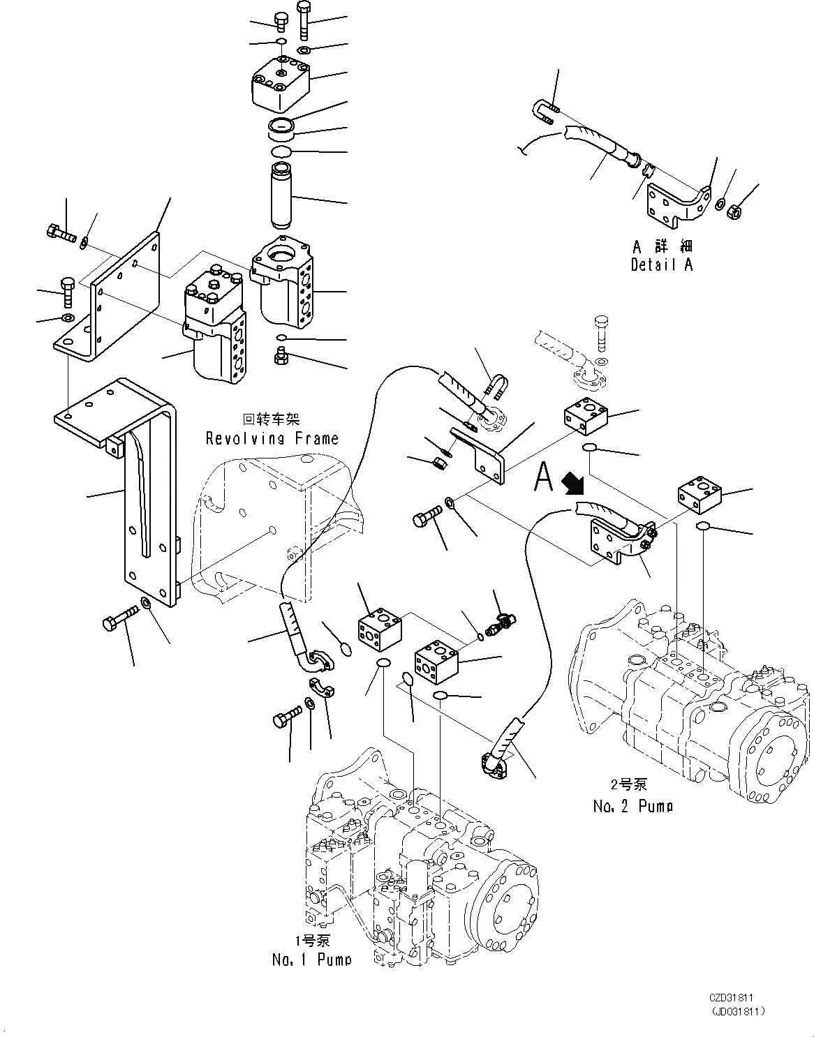
Запчасти Komatsu PC700LC-8E0 ПОДАЮЩ. ТРУБЫ (НАСОС - ФИЛЬТР.) H [ГИДРАВЛИКА]

Схема запчастей Komatsu PC700LC-8E0 - ПОДАЮЩ. ТРУБЫ (НАСОС - ФИЛЬТР.) H [ГИДРАВЛИКА]
1
1
27
22
23
21
26
24
25
29
37
36
28
33
35
31
30
34
20
18
28
19
20
19
13
9
10
11
6
12
7
8
32
14
2
18
27
5
15
17
16
4
15
2
14
3
1
10
12
13
11
6
FIT
1:1
100%

Артикул

Название

Примечание

Количество

1

21M-62-11750

HOSE

2

07000-B3025

O-RING

3

07371-30640

FLANGE, SPLIT

4

07372-21035

BOLT

5

01643-51032

WASHER

6

21M-62-31240

BRACKET

7

21M-62-31250

BRACKET

8

01010-81230

BOLT

9

01643-31232

WASHER

10

07283-32244

CLIP

11

07283-52232

SEAT

12

01597-01009

NUT

13

01643-31032

WASHER

14

21M-62-31310

BLOCK

15

07000-B3032

O-RING

16

209-62-61310

NIPPLE ASSEMBLY

17

209-62-61330

O-RING

18

21M-62-11110

BLOCK

19

07000-B3032

O-RING

|$20

21M-60-11301

FILTER ASSEMBLY

20

CASE

21

21M-60-11320

CASE

22

01010-81285

BOLT

23

01643-51232

WASHER

24

07000-12055

O-RING

25

07000-13038

O-RING

26

07001-02055

RING, BACK-UP

27

07002-11023

O-RING

28

07040-11007

PLUG

29

07063-21200

ELEMENT

30

01010-81235

BOLT

31

01643-31232

WASHER

32

21M-62-11621

BRACKET

33

01010-81250

BOLT

34

175-54-34170

WASHER

35

21M-62-21470

BRACKET

36

01010-81680

BOLT

37

01643-31645

WASHER

Выбрано товаров: 38