Запчасти Komatsu PC700LC-8E0 РУКОЯТЬ И КОВШ ТРУБЫ (КЛАПАН ТРУБЫ) (/) H [ГИДРАВЛИКА]

Схема запчастей Komatsu PC700LC-8E0 - РУКОЯТЬ И КОВШ ТРУБЫ (КЛАПАН ТРУБЫ) (/) H [ГИДРАВЛИКА]
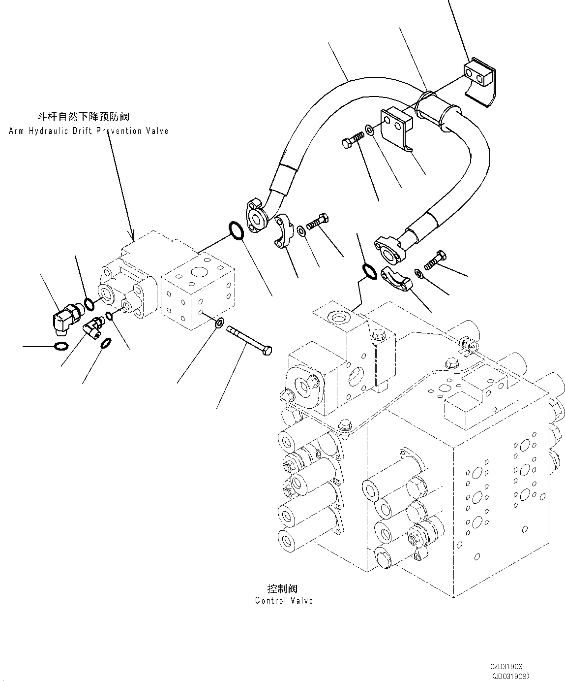
9
1
2
6
3
4
5
8
7
10
11
12
13
10
15
15
14
16
17
11
12
13
FIT
1:1
100%

Артикул

Название

Примечание

Количество

1

01011-81005

BOLT

2

01643-31032

WASHER

3

02782-10311

ELBOW

4

02896-11009

O-RING

5

07002-11423

O-RING

6

02782-10425

ELBOW

7

02896-11012

O-RING

8

07002-12434

O-RING

9

07122-01011

HOSE, FLANGE TYPE

10

07000-B3032

O-RING

11

07371-31049

FLANGE, SPLIT

12

07372-21035

BOLT

13

01643-51032

WASHER

14

07095-01034

CUSHION

15

07094-11024

CLAMP

16

01010-81275

BOLT

17

01643-31232

WASHER

Выбрано товаров: 17