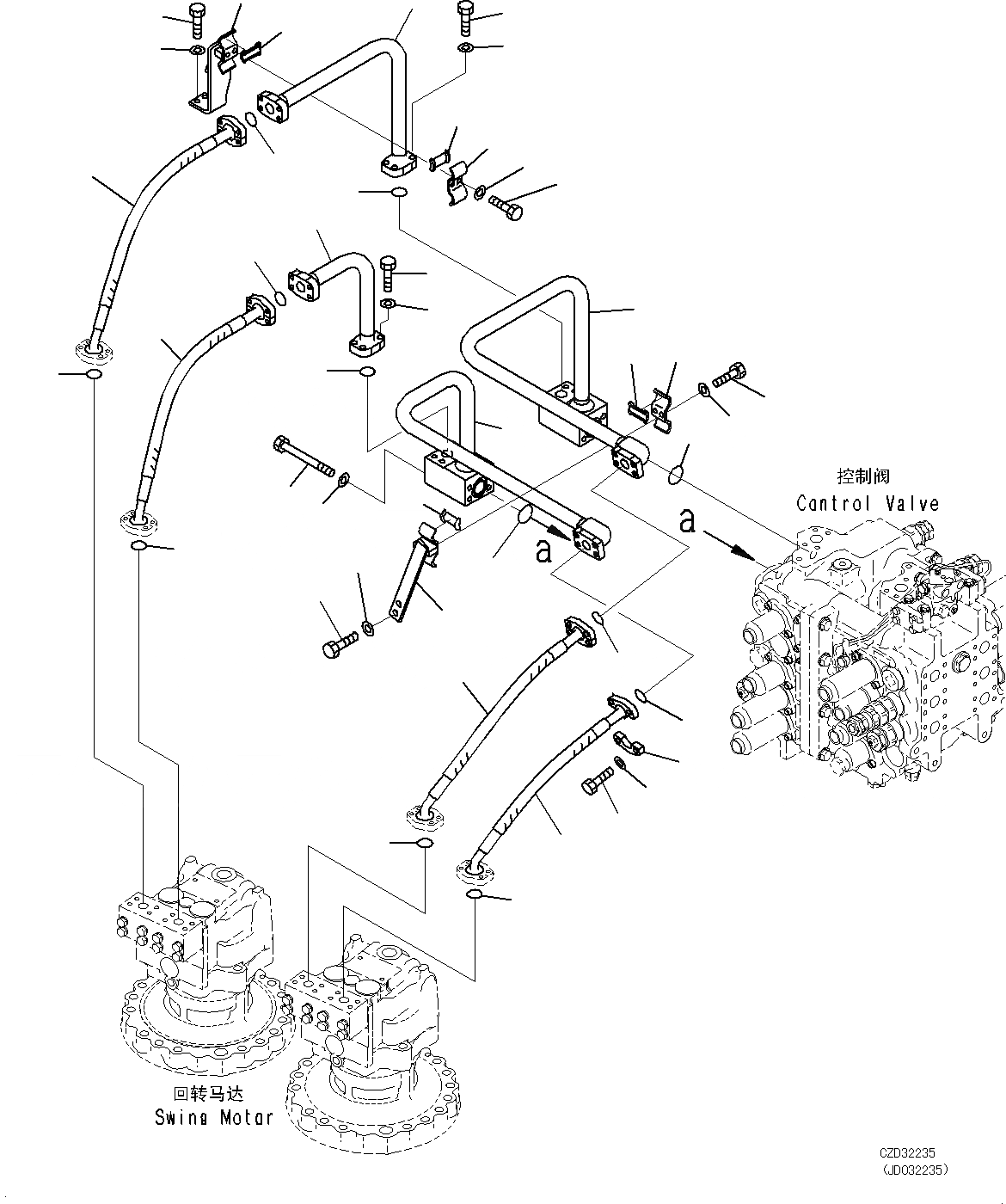
Запчасти Komatsu PC700LC-8E0 ПОВОРОТН. ТРУБЫ H [ГИДРАВЛИКА]

Схема запчастей Komatsu PC700LC-8E0 - ПОВОРОТН. ТРУБЫ H [ГИДРАВЛИКА]
12
4
16
5
13
6
17
15
14
19
30
31
18
7
8
31
9
20
10
30
26
27
11
31
28
3
29
21
23
1
2
31
25
3
24
22
32
33
35
36
38
37
33
34
35
FIT
1:1
100%

Артикул

Название

Примечание

Количество

1

207-62-32720

BOLT

2

01643-51032

WASHER

3

07000-B3035

O-RING

4

21M-62-11461

TUBE

5

07372-21035

BOLT

6

01643-51032

WASHER

7

07000-B3030

O-RING

8

21M-62-11471

TUBE

9

07372-21035

BOLT

10

01643-51032

WASHER

11

07000-B3030

O-RING

12

21M-62-34840

BRACKET

13

20Y-62-13760

SEAT

14

20Y-62-13230

CLAMP

15

20Y-62-13760

SEAT

16

01010-81235

BOLT

17

01643-31232

WASHER

18

01010-81230

BOLT

19

01643-31232

WASHER

20

21M-62-14821

TUBE

21

21M-62-14831

TUBE

22

21M-62-31760

BRACKET

23

20Y-62-13760

SEAT

24

01010-81230

BOLT

25

01643-31232

WASHER

26

20Y-62-13230

CLAMP

27

20Y-62-13760

SEAT

28

01010-81230

BOLT

29

01643-31232

WASHER

30

07097-00608

HOSE, FLANGE TYPE

31

07000-13025

O-RING

32

07097-00607

HOSE, FLANGE TYPE

33

07000-13025

O-RING

34

21M-62-11520

HOSE

35

07000-13025

O-RING

36

07371-30640

FLANGE, SPLIT

37

07372-21035

BOLT

38

01643-51032

WASHER

Выбрано товаров: 38