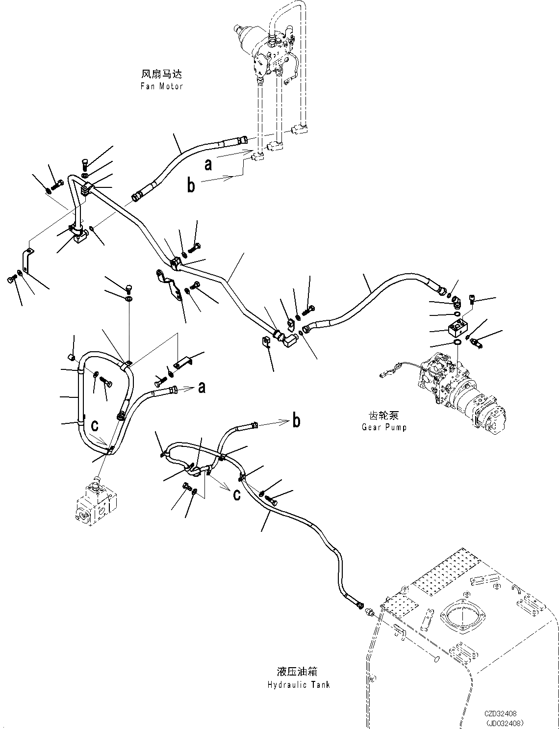
Запчасти Komatsu PC700LC-8E0 МОТОР ВЕНТИЛЯТОРА ТРУБЫ H [ГИДРАВЛИКА]

Схема запчастей Komatsu PC700LC-8E0 - МОТОР ВЕНТИЛЯТОРА ТРУБЫ H [ГИДРАВЛИКА]
39
24
14
15
16
17
13
12
14
15
13
13
10
11
12
12
14
9
27
5
15
28
13
18
3
12
4
20
22
19
6
8
23
26
33
7
21
1
2
34
36
11
26
35
13
25
32
31
26
39
37
39
39
26
41
40
29
30
38
FIT
1:1
100%

Артикул

Название

Примечание

Количество

1

209-62-41410

BLOCK

2

07000-B3032

O-RING

3

01252-A1050

BOLT, HEXAGON SOCKET HEAD

4

02783-10628

ELBOW

5

02896-61018

O-RING

6

07002-62434

O-RING

7

799-101-5220

NIPPLE

8

07002-61023

O-RING

9

02779-00609

HOSE, FACE SEAL TYPE

10

21M-62-21271

TUBE

11

02896-61018

O-RING

12

07095-00526

CUSHION

13

07094-10518

CLAMP

14

01010-81270

BOLT

15

01643-31232

WASHER

16

01010-81275

BOLT

17

01643-31232

WASHER

18

17A-61-13391

BRACKET

19

01010-81230

BOLT

20

01643-31232

WASHER

21

21M-62-21280

BRACKET

22

01010-81225

BOLT

23

01643-31232

WASHER

24

02777-006A7

HOSE, FACE SEAL TYPE

25

21M-62-21530

HOSE

26

04434-52712

CLIP

27

01010-81225

BOLT

28

01643-31232

WASHER

29

01010-81235

BOLT

30

01643-31232

WASHER

31

01010-81245

BOLT

32

01643-31232

WASHER

33

195-33-11220

SPACER

34

198-06-46230

BRACKET

35

01010-81225

BOLT

36

01643-31232

WASHER

37

08034-20519

BAND

38

21M-62-21540

HOSE

39

04434-51912

CLIP

40

01010-81225

BOLT

Выбрано товаров: 40