Запчасти Komatsu PC700LC-8E0 ОСНОВНАЯ РАМА ЗАЩИТА НИЖНЕЙ ЧАСТИ J [РАМА И ITS КОМПОНЕНТЫ]

Схема запчастей Komatsu PC700LC-8E0 - ОСНОВНАЯ РАМА ЗАЩИТА НИЖНЕЙ ЧАСТИ J [РАМА И ITS КОМПОНЕНТЫ]
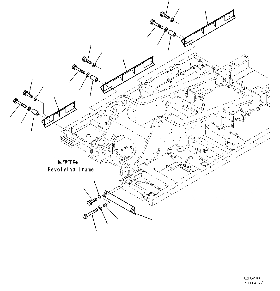
1
2
3
4
5
6
7
8
8
7
6
5
4
7
4
6
5
8
11
12
10
9
13
14
FIT
1:1
100%

Артикул

Название

Примечание

Количество

1

21M-46-15410

DECK GUARD

2

21M-46-15420

DECK GUARD

3

21M-46-15430

DECK GUARD

4

205-03-71331

COLLAR

5

01010-81280

BOLT

6

01643-31232

WASHER

7

01010-81235

BOLT

8

01643-31232

WASHER

9

21M-46-32940

GUARD DECK

10

205-03-71331

COLLAR

11

01010-81280

BOLT

12

01643-31232

WASHER

13

01010-81235

BOLT

14

01643-31232

WASHER

Выбрано товаров: 14