Запчасти Komatsu PC700LC-8E0 КОНДИЦ. ВОЗДУХА (С КАБИНОЙ КРЕПЛЕНИЕ, АВТОМАТИЧ. КОНДИЦ. ВОЗДУХА) (ПРИЕМНЫЙ БАК) K [КАБИНА ОПЕРАТОРА И СИСТЕМА УПРАВЛЕНИЯ]

Схема запчастей Komatsu PC700LC-8E0 - КОНДИЦ. ВОЗДУХА (С КАБИНОЙ КРЕПЛЕНИЕ, АВТОМАТИЧ. КОНДИЦ. ВОЗДУХА) (ПРИЕМНЫЙ БАК) K [КАБИНА ОПЕРАТОРА И СИСТЕМА УПРАВЛЕНИЯ]
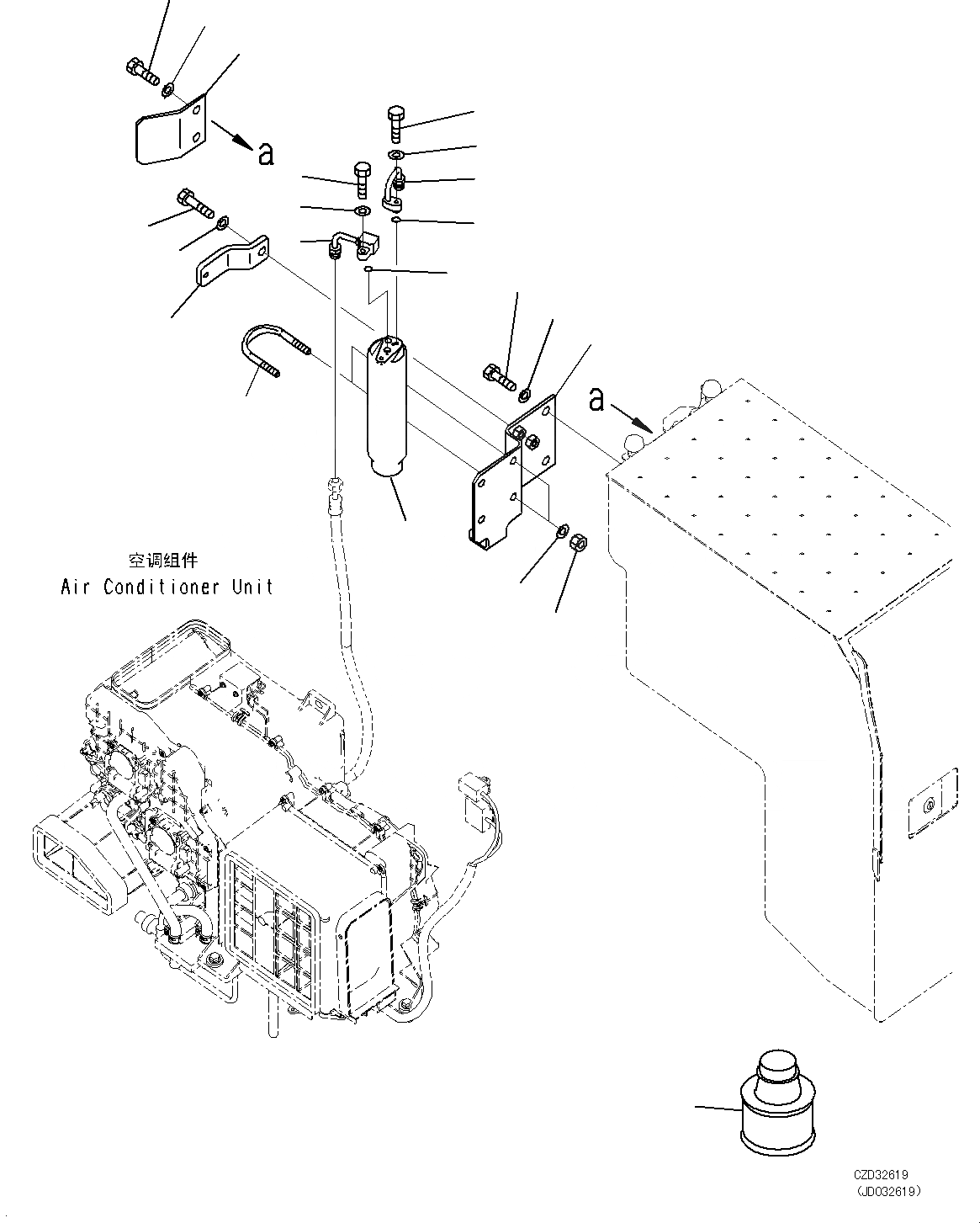
1
2
3
4
5
6
7
8
9
10
11
12
13
14
15
16
6
7
17
18
19
20
FIT
1:1
100%

Артикул

Название

Примечание

Количество

1

20Y-979-3120

TANK, RECEIVER

2

21M-979-2220

TUBE

3

20Y-979-3150

O-RING

4

20Y-979-6650

TUBE

5

20Y-979-3150

O-RING

6

01010-80625

BOLT

7

01643-30623

WASHER

8

21M-979-2192

BRACKET

9

07283-36155

CLIP

10

01643-31032

WASHER

11

01597-01009

NUT

12

01010-81225

BOLT

13

01643-31232

WASHER

14

21M-979-2211

PLATE

15

01010-81225

BOLT

16

01643-31232

WASHER

17

21N-979-8160

OIL

18

21M-979-2231

PLATE

19

01010-81230

BOLT

20

01643-31232

WASHER

Выбрано товаров: 20