Запчасти Komatsu PC700LC-8E0 КАБИНА (EOPS КАБИНА, КАРЬЕРН, AM-FM РАДИО ДЛЯ АЗИИ, KOMTRAX) (КЛАПАН PPCДЛЯ ХОД) K [КАБИНА ОПЕРАТОРА И СИСТЕМА УПРАВЛЕНИЯ]

Схема запчастей Komatsu PC700LC-8E0 - КАБИНА (EOPS КАБИНА, КАРЬЕРН, AM-FM РАДИО ДЛЯ АЗИИ, KOMTRAX) (КЛАПАН PPCДЛЯ ХОД) K [КАБИНА ОПЕРАТОРА И СИСТЕМА УПРАВЛЕНИЯ]
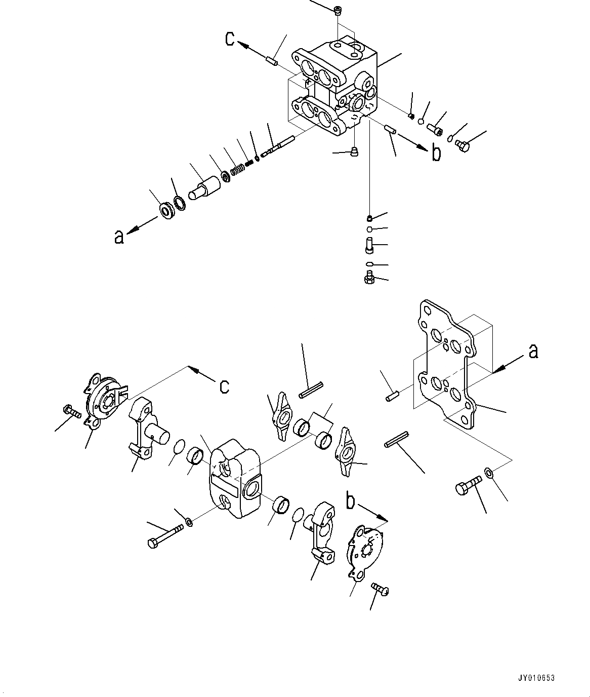
22
22
1
2
3
4
6
8
5
7
9
10
11
11
19
21
21
20
20
12
12
19
19
27
28
28
27
15
14
25
26
29
31
30
29
31
30
17
16
13
24
18
18
23
23
FIT
1:1
100%

Артикул

Название

Примечание

Количество

|$1

702-16-04271

VALVE ASSEMBLY, PPC

|$2

702-16-04270

VALVE ASSEMBLY, PPC

1

VALVE BODY

2

VALVE

3

702-16-51140

SHIM, T=0.30MM

4

702-16-53420

SPRING

5

702-16-53140

RETAINER

6

702-16-54420

SPRING

7

702-16-53170

PISTON

8

702-16-71150

SEAL

9

702-16-71160

SEAT

10

CASE

11

LEVER

12

SHAFT

13

702-16-73640

PLATE

14

01010-80855

BOLT

15

01643-30823

WASHER

16

01010-80820

BOLT

|$19

01010-80816

BOLT

17

702-16-54331

WASHER, T=1.60MM

|$21

702-16-54341

WASHER, T=1.30MM

|$22

702-16-54351

WASHER, T=1.00MM

|$23

702-16-56380

WASHER, T=1.90MM

|$24

702-16-56390

WASHER, T=2.20MM

18

PIN, SPRING

19

BUSHING

20

O-RING

21

702-16-73610

DAMPER ASSEMBLY

22

01023-10306

SCREW

23

PIN

24

04022-04016

PIN, DOWEL

25

PLUG

26

PLUG

27

07040-11209

PLUG

28

07002-11223

O-RING

29

BALL

30

PLUG

31

SEAT

Выбрано товаров: 38