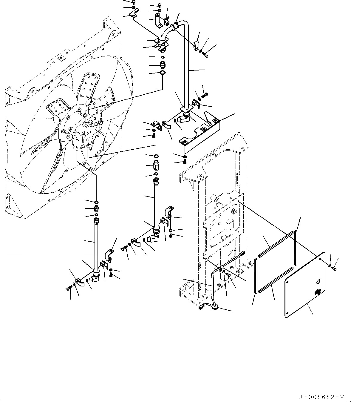
Запчасти Komatsu PC700LC-8E0 СИСТЕМА ОХЛАЖДЕНИЯ (МОТОР ВЕНТИЛЯТОРА ТРУБЫ) C [СИСТЕМА ОХЛАЖДЕНИЯ]

Схема запчастей Komatsu PC700LC-8E0 - СИСТЕМА ОХЛАЖДЕНИЯ (МОТОР ВЕНТИЛЯТОРА ТРУБЫ) C [СИСТЕМА ОХЛАЖДЕНИЯ]
3
23
35
2
1
7
7
34
33
22
21
6
6
6
6
8
9
9
8
27
39
38
38
18
17
16
19
10
11
55
54
30
42
40
28
49
50
51
31
43
53
13
14
57
56
52
44
32
41
29
36
37
24
25
15
12
5
4
20
26
26
47
48
46
46
46
46
45
FIT
1:1
100%

Артикул

Название

Примечание

Количество

41

01643-31232

WASHER

42

21M-03-22170

BRACKET

43

01010-81230

BOLT

44

01643-31232

WASHER

45

21M-03-22121

COVER

46

21T-03-32750

SHEET

47

01010-81230

BOLT

48

01643-31232

WASHER

49

21M-06-21190

WIRING HARNESS

50

04434-51012

CLIP

51

01010-81225

BOLT

52

01643-31232

WASHER

53

20Y-54-65180

GROMMET

54

21M-03-22191

COVER

55

21M-03-22220

SHEET

56

01010-81235

BOLT

57

01643-31232

WASHER

Выбрано товаров: 17