Качественные детали и логистика
Оригинальные и аналоговые запчасти с доставкой по России, Казахстану и Беларуси
©2022 PartSell ООО "Система" ИНН 2463123282 ОГРН 1212400004838
Центральный офис: г. Красноярск, Академика Киренского, д.87, пом.4
Телефон: 8 (800) 777-65-74 Email: zakaz@partsell.ru
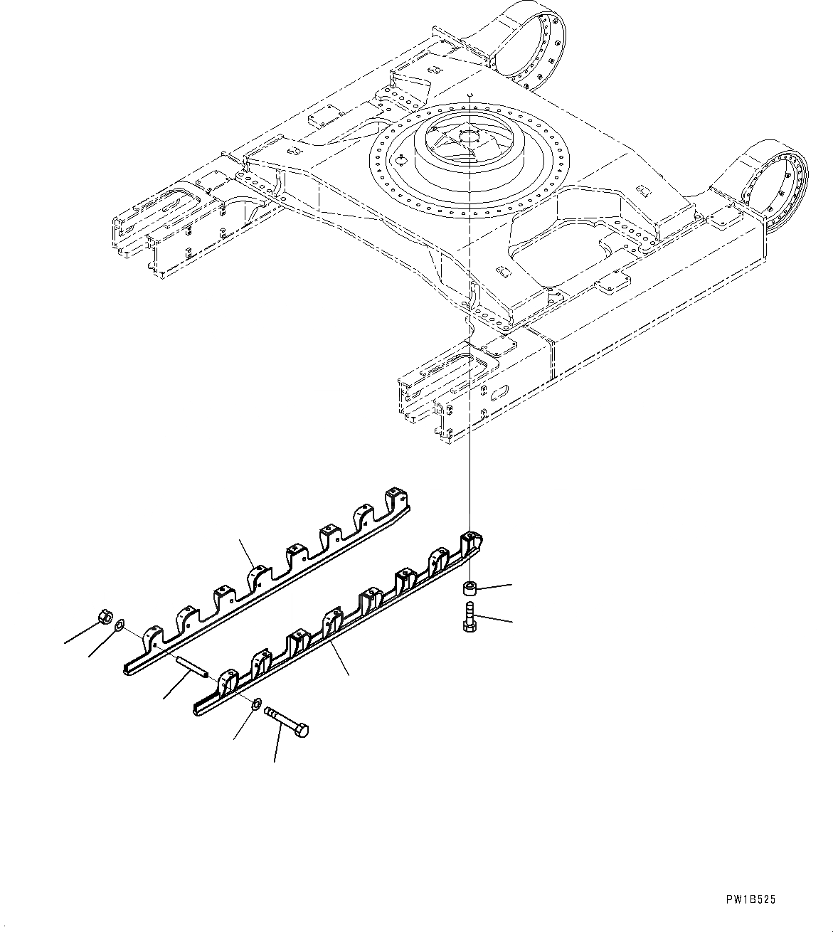
ГУСЕНИЧНАЯ РАМА (ОПОРНЫЙ КАТОК ПОЛН. ЗАЩИТА, ПРАВ.)
№
Артикул
Название
Примечание
Количество
1
209-30-77322
GUARD
2
209-30-77332
3
01011-82700
BOLT
4
209-30-77480
SPACER
5
209-30-77350
6
209-30-77340
7
01580-12722
NUT
8
01643-32780
WASHER
Выбрано товаров: 0