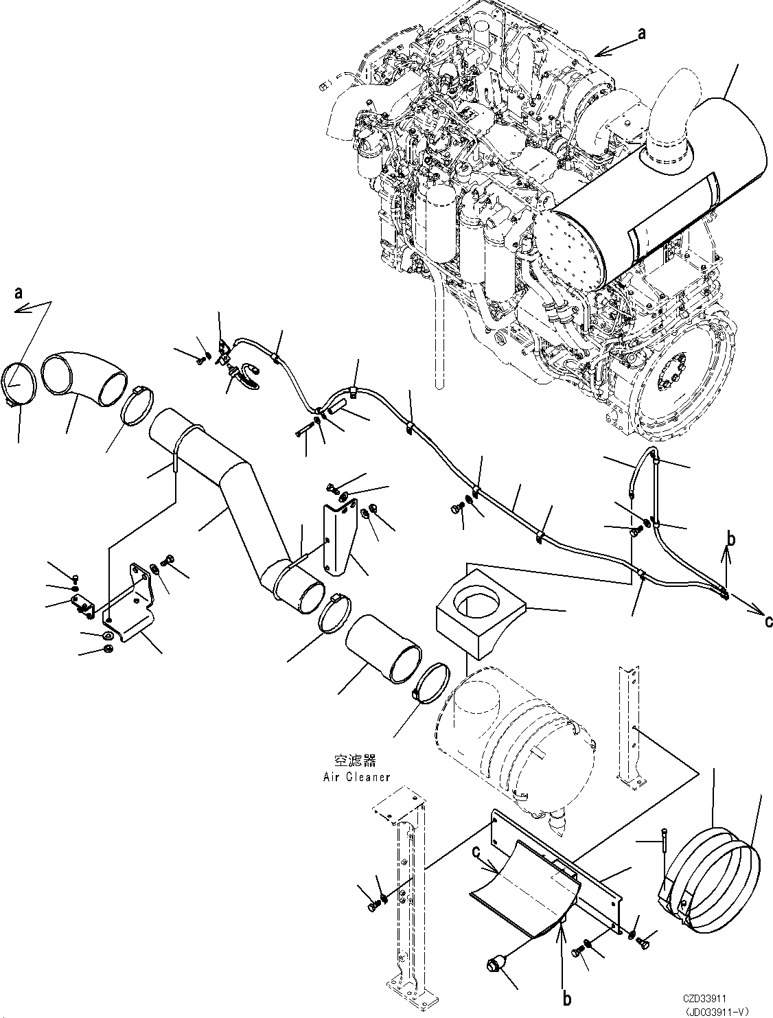
Запчасти Komatsu PC700LC-8E0 ВОЗДУХООЧИСТИТЕЛЬ B [КОМПОНЕНТЫ ДВИГАТЕЛЯ]

Схема запчастей Komatsu PC700LC-8E0 - ВОЗДУХООЧИСТИТЕЛЬ B [КОМПОНЕНТЫ ДВИГАТЕЛЯ]
7
4
1
1
2
8
9
32
32
31
3
29
34
33
5
5
6
6
6
5
26
10
27
27
17
20
21
22
19
18
23
25
24
11
14
15
16
13
12
32
32
32
32
32
32
38
35
32
28
40
39
30
37
36
34
33
41
FIT
1:1
100%

Артикул

Название

Примечание

Количество

1

6151-11-9970

BAND ASSEMBLY

2

6643-11-4641

BOLT

3

21M-01-21170

SEAL

4

21M-01-15211

BRACKET

5

01010-81230

BOLT

6

01643-31232

WASHER

7

21M-01-21120

HOSE

8

07289-00170

CLAMP, HOSE

9

07289-00160

CLAMP, HOSE

10

21M-01-21110

TUBE

11

21M-01-21130

BRACKET

12

01010-81230

BOLT

13

175-54-34170

WASHER

14

428-62-14640

CLIP

15

01643-31232

WASHER

16

01597-01211

NUT

17

21M-01-31110

BRACKET

18

01010-81235

BOLT

19

175-54-34170

WASHER

20

428-62-14640

CLIP

21

01643-31232

WASHER

22

01597-01211

NUT

23

21M-01-21150

BRACKET

24

01010-81240

BOLT

25

01643-31232

WASHER

26

21M-01-21160

HOSE

27

07289-00160

CLAMP, HOSE

28

7861-93-1422

SENSOR

|$29

7861-93-1421

SENSOR

29

08672-01000

INDICATOR

30

08671-50186

HOSE

31

08671-60140

HOSE

32

04434-51412

CLIP

33

01010-81230

BOLT

34

01643-31232

WASHER

35

22S-62-26210

SPACER

36

01011-81200

BOLT

37

01643-31232

WASHER

38

208-01-62112

BRACKET

39

01010-81220

BOLT

Выбрано товаров: 40