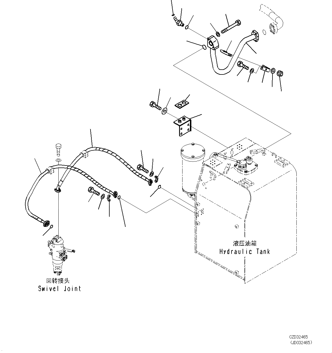
Запчасти Komatsu PC700LC-8E0 ГИДР. БАК. (С КРЫШКА МАСЛОНАЛИВНОГО ПАТРУБКА БЛОКИРОВКА И КРЫШКИБЛОКИР.) (ЛИНИИ МАСЛООХЛАДИТЕЛЯ) H [ГИДРАВЛИКА]

Схема запчастей Komatsu PC700LC-8E0 - ГИДР. БАК. (С КРЫШКА МАСЛОНАЛИВНОГО ПАТРУБКА БЛОКИРОВКА И КРЫШКИБЛОКИР.) (ЛИНИИ МАСЛООХЛАДИТЕЛЯ) H [ГИДРАВЛИКА]
13
11
2
12
3
6
4
1
9
26
10
25
5
27
8
7
24
19
22
23
14
21
20
17
18
16
15
15
FIT
1:1
100%

Артикул

Название

Примечание

Количество

1

21M-62-16111

TUBE

2

01010-81290

BOLT

3

01643-31232

WASHER

4

07000-13045

O-RING

5

198-61-32850

BRACKET

6

07283-34949

CLIP

7

01597-01009

NUT

8

01643-31032

WASHER

9

01010-81225

BOLT

10

01643-31232

WASHER

11

02783-10315

ELBOW

12

07002-12034

O-RING

13

02896-11009

O-RING

14

07296-41019

HOSE

15

07000-13032

O-RING

16

07371-31049

FLANGE, SPLIT

17

07372-21035

BOLT

18

01643-51032

WASHER

19

21M-62-D6270

HOSE, FLANGE TYPE

|$20

07297-41017

HOSE, FLANGE TYPE

20

07000-13032

O-RING

21

07371-31049

FLANGE, SPLIT

22

07372-21035

BOLT

23

01643-51032

WASHER

24

21M-54-33511

BRACKET

25

21M-54-31770

SHEET

26

01010-81225

BOLT

27

01643-31232

WASHER

Выбрано товаров: 0