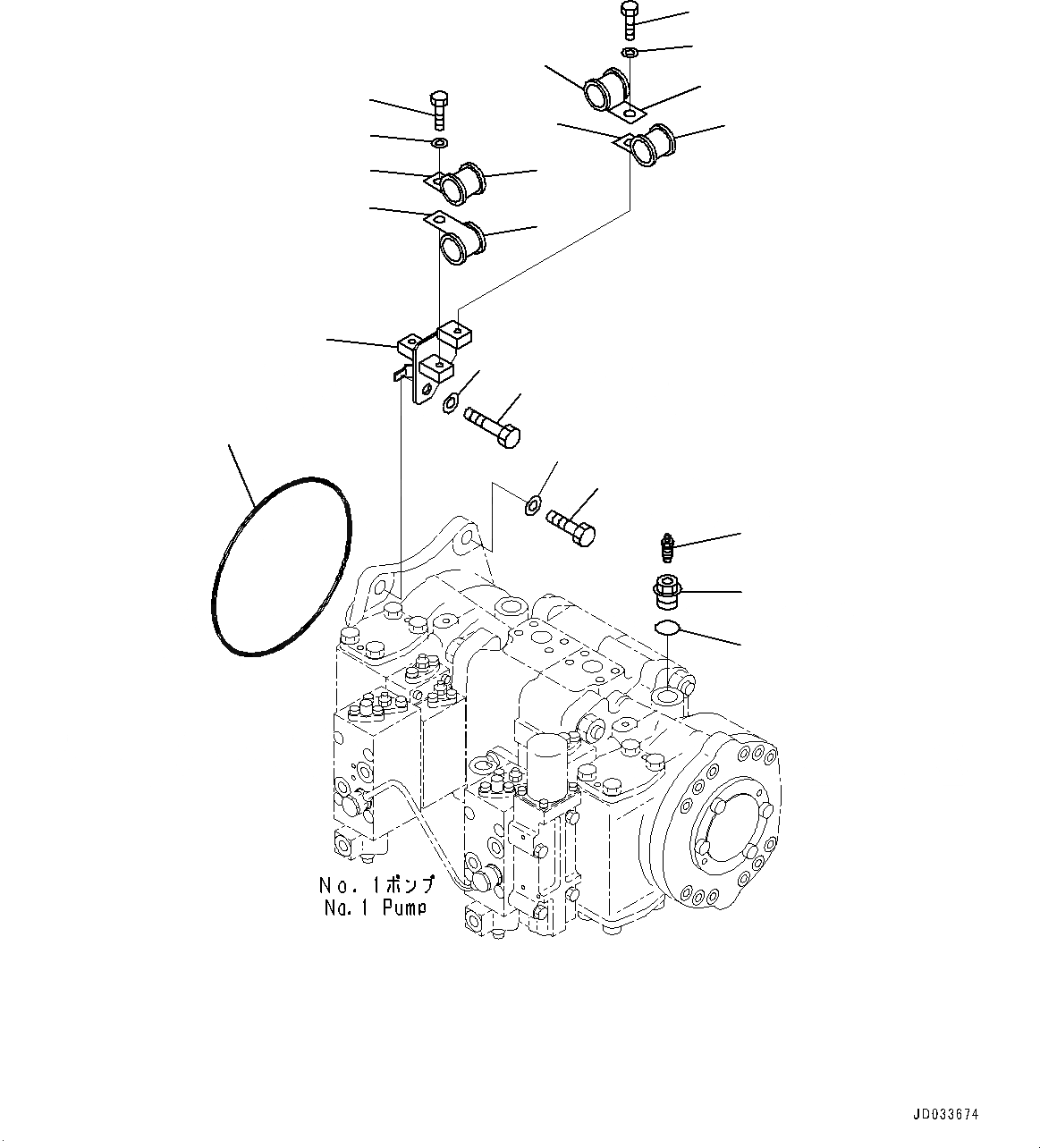
Запчасти Komatsu PC700LC-8E0 ОСНОВН. ПОРШЕНЬ НАСОС, СОЕДИНИТЕЛЬН. ЧАСТИ ОСНОВН. ПОРШЕНЬ НАСОС

Схема запчастей Komatsu PC700LC-8E0 - ОСНОВН. ПОРШЕНЬ НАСОС, СОЕДИНИТЕЛЬН. ЧАСТИ ОСНОВН. ПОРШЕНЬ НАСОС
11
13
12
13
4
14
3
2
1
8
10
9
6
5
9
10
7
5
8
6
7
FIT
1:1
100%

Артикул

Название

Примечание

Количество

1

706-87-40150

Plug

2

20B-27-11210

Bleeder

3

07002-12434

O-Ring

4

21M-62-21362

Bracket

5

04434-53412

Clip

6

07095-20627

Cushion

7

04434-52112

Clip

8

07095-20314

Cushion

9

01010-81225

Bolt

10

01643-31232

Washer

11

01010-81650

Bolt

12

01010-81665

Bolt

13

01643-31645

Washer

14

07000-15230

O-Ring

Выбрано товаров: 14