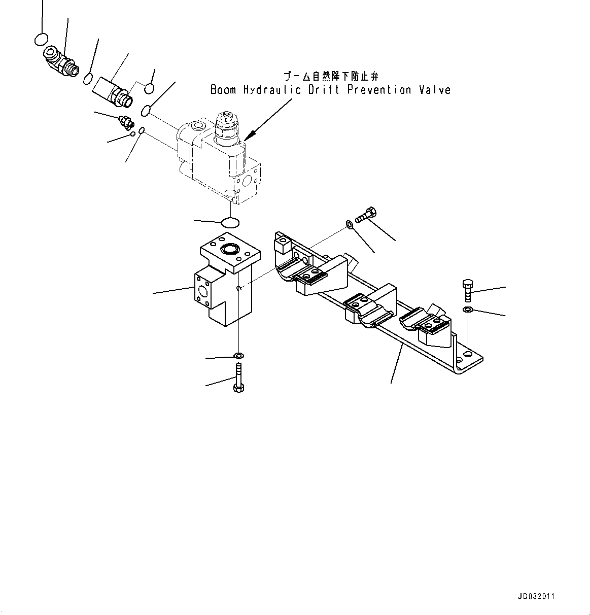
Запчасти Komatsu PC700LC-8E0 ШЛАНГИ КЛАПАН ПЕРЕГРУЗКИ СТРЕЛЫ, СТРЕЛА И РУКОЯТЬ, КЛАПАН ПЕРЕГРУЗКИ, RHS ШЛАНГИ КЛАПАН ПЕРЕГРУЗКИ СТРЕЛЫ, СТРЕЛА И РУКОЯТЬ

Схема запчастей Komatsu PC700LC-8E0 - ШЛАНГИ КЛАПАН ПЕРЕГРУЗКИ СТРЕЛЫ, СТРЕЛА И РУКОЯТЬ, КЛАПАН ПЕРЕГРУЗКИ, RHS ШЛАНГИ КЛАПАН ПЕРЕГРУЗКИ СТРЕЛЫ, СТРЕЛА И РУКОЯТЬ
24
25
20
21
22
11
23
9
14
12
10
13
4
5
19
2
16
3
15
18
17
27
1
28
6
7
8
26
30
29
FIT
1:1
100%

Артикул

Название

Примечание

Количество

1

702-21-08760

Pilot Valve

2

01010-81065

Bolt

3

01643-31032

Washer

4

01010-81075

Bolt

5

01643-31032

Washer

6

07000-13035

O-Ring

7

207-62-61960

Flange

8

07000-13035

O-Ring

9

02782-1052A

Elbow

10

07002-12434

O-Ring

11

02896-11015

O-Ring

12

11Y-62-12510

Elbow

13

02896-11009

O-Ring

14

07002-11423

O-Ring

15

20F-61-12460

Elbow

16

07002-11423

O-Ring

17

11Y-62-12330

Tee

18

07002-11423

O-Ring

19

02896-11008

O Ring

20

21M-62-18380

Tube

21

01010-81040

Bolt

22

01643-51032

Washer

23

07000-13035

O-Ring

24

01010-81025

Bolt

25

01643-31032

Washer

26

07378-11000

Head

27

07000-13032

O-Ring

28

07371-31049

Flange

29

07372-21035

Bolt

30

01643-51032

Washer

Выбрано товаров: 30