Запчасти Komatsu PC700LC-8E0 ШЛАНГИ КЛАПАН ПЕРЕГРУЗКИ СТРЕЛЫ, СТРЕЛА И РУКОЯТЬ, ШАССИ, ШЛАНГИ ШЛАНГИ КЛАПАН ПЕРЕГРУЗКИ СТРЕЛЫ, СТРЕЛА И РУКОЯТЬ

Схема запчастей Komatsu PC700LC-8E0 - ШЛАНГИ КЛАПАН ПЕРЕГРУЗКИ СТРЕЛЫ, СТРЕЛА И РУКОЯТЬ, ШАССИ, ШЛАНГИ ШЛАНГИ КЛАПАН ПЕРЕГРУЗКИ СТРЕЛЫ, СТРЕЛА И РУКОЯТЬ
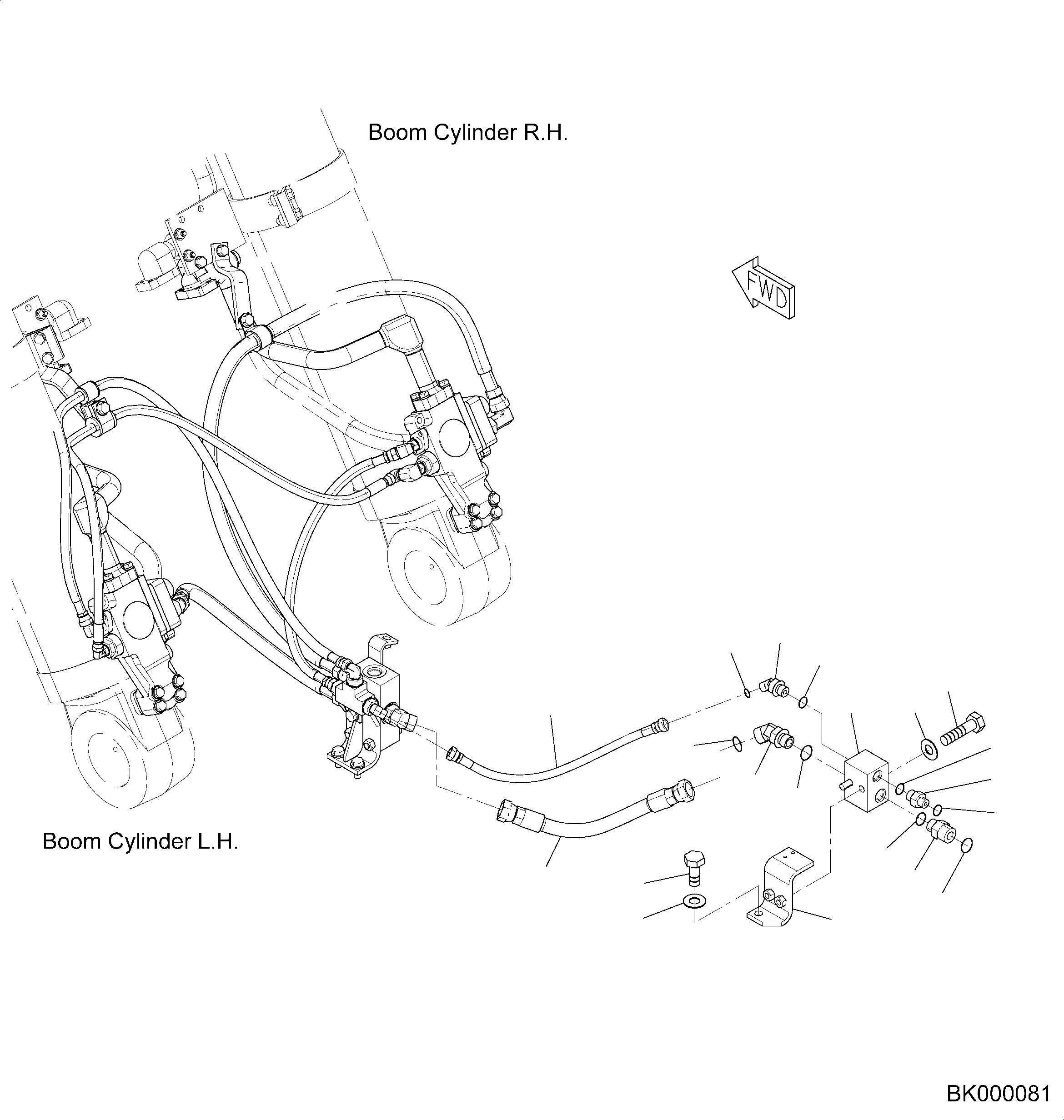
10
12
11
5
6
4
20
17
9
16
7
8
18
14
2
19
13
15
1
3
FIT
1:1
100%

Артикул

Название

Примечание

Количество

1

21M-62-12120

Bracket

2

01010-81230

Bolt

3

01643-31232

Washer

4

21M-62-18280

Block

5

01010-81280

Bolt

6

01643-31232

Washer

7

02783-10628

Union

8

07002-12434

O-Ring

9

02896-11018

O-Ring

10

02783-10315

Elbow

11

07002-12034

O-Ring

12

02896-11009

O-Ring

13

02781-00628

Union

14

07002-12434

O-Ring

15

02896-11018

O-Ring

16

02781-00315

Union

17

07002-12034

O-Ring

18

02896-11009

O-Ring

19

02762-00604

Hose

20

02760-003A4

Hose

Выбрано товаров: 20