Запчасти Komatsu PC700LC-8E0 ГУСЕНИЧНАЯ РАМА, С ПОЛН. LENGTH ЗАЩИТА ОПОРНЫХ КАТКОВ, ОПОРНЫЙ КАТОК ПОЛН. ЗАЩИТА, LHS ГУСЕНИЧНАЯ РАМА, С ПОЛН. LENGTH ЗАЩИТА ОПОРНЫХ КАТКОВ

Схема запчастей Komatsu PC700LC-8E0 - ГУСЕНИЧНАЯ РАМА, С ПОЛН. LENGTH ЗАЩИТА ОПОРНЫХ КАТКОВ, ОПОРНЫЙ КАТОК ПОЛН. ЗАЩИТА, LHS ГУСЕНИЧНАЯ РАМА, С ПОЛН. LENGTH ЗАЩИТА ОПОРНЫХ КАТКОВ
7
3
5
1
2
4
6
8
8
FIT
1:1
100%

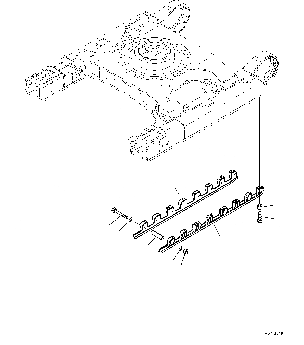
Артикул

Название

Примечание

Количество

1

209-30-77322

Guard

2

209-30-77332

Guard

3

01011-82700

Bolt

4

209-30-77480

Spacer

5

209-30-77350

Spacer

6

209-30-77340

Bolt

7

01580-12722

Nut

8

01643-32780

Washer

Выбрано товаров: 8