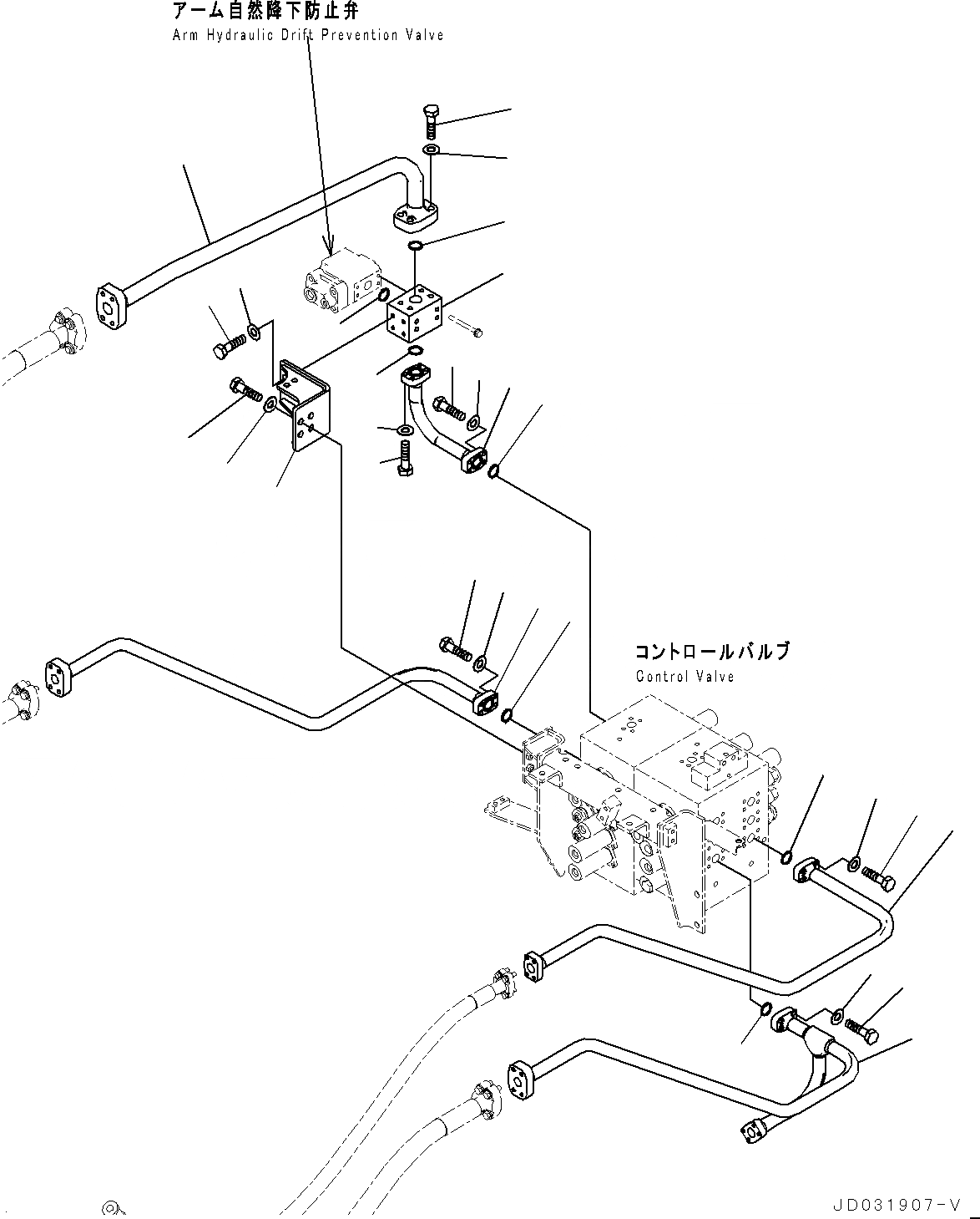
Запчасти Komatsu PC700LC-8R РУКОЯТЬ И КОВШ ТРУБЫ, КЛАПАН ТРУБЫ (/) (№7-) РУКОЯТЬ И КОВШ ТРУБЫ

Схема запчастей Komatsu PC700LC-8R - РУКОЯТЬ И КОВШ ТРУБЫ, КЛАПАН ТРУБЫ (/) (№7-) РУКОЯТЬ И КОВШ ТРУБЫ
10
11
11
12
13
12
14
6
7
8
9
2
3
4
5
1
3
4
5
20
21
23
13
22
24
15
18
19
16
17
FIT
1:1
100%

Артикул

Название

Примечание

Количество

1

21M-62-31441

Tube

2

21M-62-31450

Tube

3

07372-21040

Bolt

4

01643-51032

Washer

5

07000-B3035

O-ring

6

21M-62-31430

Tube

7

07372-21040

Bolt

8

01643-51032

Washer

9

07000-B3035

O-ring

10

21M-62-31410

Tube

11

07372-21040

Bolt

12

01643-51032

Washer

13

07000-B3035

O-ring

14

21M-62-31461

Block

15

21M-62-31530

Bracket

16

01010-81230

Bolt

17

01643-31232

Washer

18

01010-81235

Bolt

19

01643-31232

Washer

20

21M-62-31421

Tube

21

01010-81455

Bolt

22

01643-31445

Washer, Flat

23

07000-B3035

O-ring

24

07000-B3048

O-ring

Выбрано товаров: 24