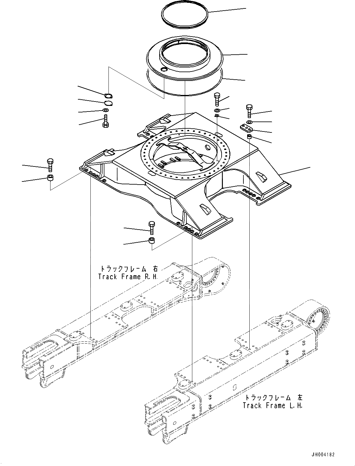
Запчасти Komatsu PC700LC-8R ЦЕНТР. РАМА (№7-) ЦЕНТР. РАМА, С ГУСЕНИЧНАЯ РАМА НИЖН. КРЫШКА

Схема запчастей Komatsu PC700LC-8R - ЦЕНТР. РАМА (№7-) ЦЕНТР. РАМА, С ГУСЕНИЧНАЯ РАМА НИЖН. КРЫШКА
5
8
17
4
3
16
14
13
12
10
2
9
1
15
11
19
18
6
7
FIT
1:1
100%

Артикул

Название

Примечание

Количество

1

21M-30-31312

Frame

2

21M-30-31120

Collar

3

21M-30-31140

Plate

4

01643-33380

Washer

5

21M-30-31130

Bolt

6

21M-30-31120

Collar

7

21M-30-31130

Bolt

8

21M-30-31120

Collar

9

21M-30-31130

Bolt

10

21M-30-23110

Cover

11

21M-30-13120

Seal

12

21M-30-13140

Seal

13

205-30-71191

Gasket

14

205-30-71181

Cover

15

01010-81225

Bolt

16

01643-31232

Washer

17

21M-30-13130

Bracket

18

01010-81225

Bolt

19

01643-31232

Washer

Выбрано товаров: 19