Качественные детали и логистика
Оригинальные и аналоговые запчасти с доставкой по России, Казахстану и Беларуси
©2022 PartSell ООО "Система" ИНН 2463123282 ОГРН 1212400004838
Центральный офис: г. Красноярск, Академика Киренского, д.87, пом.4
Телефон: 8 (800) 777-65-74 Email: zakaz@partsell.ru
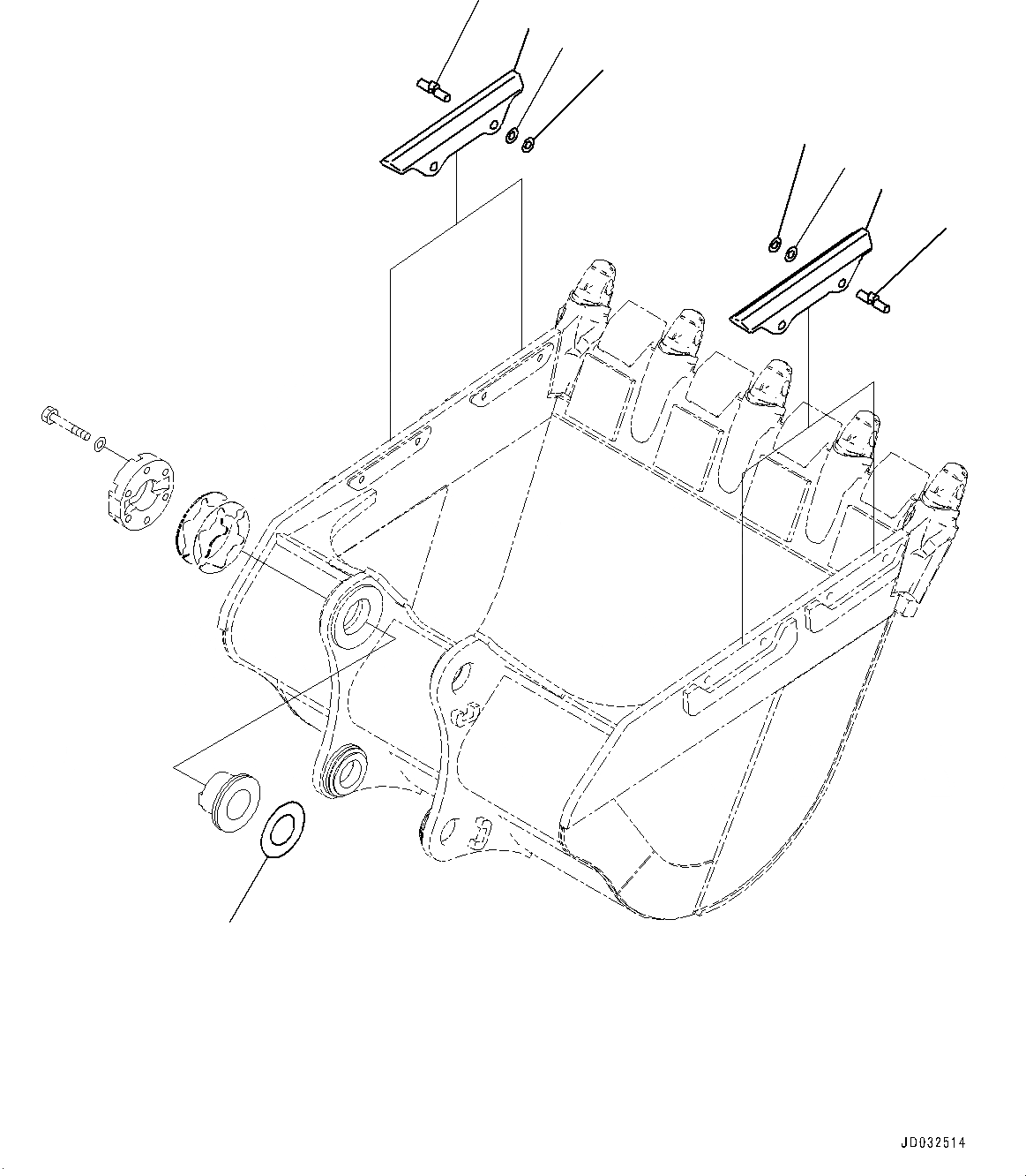
КОВШ, КОЖУХ И SHIM (№7-)
№
Артикул
Название
Примечание
Количество
1
427-70-13611
Guard
2
21N-939-3330
Pin
3
209-939-7110
Shim, T=1.0mm
4
209-939-7120
Shim, T=0.5mm
5
209-72-11220
Выбрано товаров: 0