Качественные детали и логистика
Оригинальные и аналоговые запчасти с доставкой по России, Казахстану и Беларуси
©2022 PartSell ООО "Система" ИНН 2463123282 ОГРН 1212400004838
Центральный офис: г. Красноярск, Академика Киренского, д.87, пом.4
Телефон: 8 (800) 777-65-74 Email: zakaz@partsell.ru
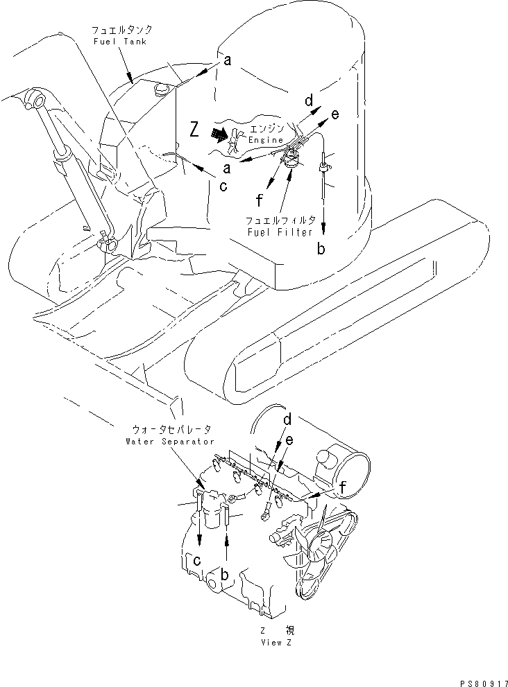
ЧАСТИ ДЛЯ ПЕРИОДИЧ. ЗАМЕНЫ (/) (ТОПЛИВН. ШЛАНГИ)
№
Артикул
Название
Примечание
Количество
1
YM172187-14390
HOSE
2
YM172187-14430
3
YM172187-14470
4
YM172171-14610
5
YM105225-59511
6
YM105025-59560
7
YM121250-59550
8
YM105225-59120
Выбрано товаров: 0