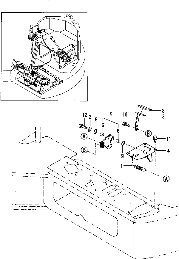
Запчасти Komatsu PC70FR-1 УПРАВЛ-Е ОБОРУД-Е (НИЗ.-ВЫС. ПЕДАЛЬ) СИСТЕМА УПРАВЛЕНИЯ

Схема запчастей Komatsu PC70FR-1 - УПРАВЛ-Е ОБОРУД-Е (НИЗ.-ВЫС. ПЕДАЛЬ) СИСТЕМА УПРАВЛЕНИЯ
FIT
1:1
100%

Артикул

Название

Примечание

Количество

1

YM172162-12480

SPRING,RETURN

2

YM1A1040-43900

WASHER,FRONT

3

YM172187-45900

PEDAL ASS'Y

4

YM172187-45930

BRACKET ASS'Y,PEDAL

5

YM172187-45960

BRACKET ASS'Y,PEDAL

6

YM172141-41360

BUSHING

8

YM172187-45990

PAD,PEDAL

9

YM24311-000210

O-RING

10

YM26013-080162

BOLT

11

YM26013-080162

BOLT

12

YM26013-080202

BOLT

Выбрано товаров: 11