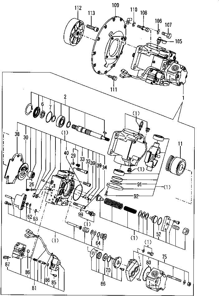
Запчасти Komatsu PC70FR-1 ГИДР. НАСОС. УПРАВЛ-Е РАБОЧИМ ОБОРУДОВАНИЕМ

Схема запчастей Komatsu PC70FR-1 - ГИДР. НАСОС. УПРАВЛ-Е РАБОЧИМ ОБОРУДОВАНИЕМ
FIT
1:1
100%

Артикул

Название

Примечание

Количество

1

YM172187-73100

PUMP

2

YM172187-73110

SHAFT

6

YM172187-73240

SEAL

7

YM172187-73250

O-RING

11

YM172187-73120

ROTARY GROUP

26

YM24315-000080

O-RING

29

YM24315-000110

O-RING

30

YM172187-75600

PLATE

32

YM172187-75620

BOLT

33

YM172187-75630

BOLT

34

YM172187-75640

BOLT

38

YM172187-75680

GASKET

39

YM24315-000050

PACKING

40

YM24321-001050

O-RING

52

YM24311-000440

PACKING

62

YM24315-000160

O-RING

63

YM24315-000200

O-RING

64

YM24315-000290

O-RING

66

YM172187-73160

PUMP

70

YM172187-75880

O-RING

75

YM172187-73170

PUMP,GEAR

80

YM24325-000900

PACKING

81

YM172187-73180

VALVE

85

YM172162-74860

BOLT

86

YM24311-000160

O-RING

87

YM26450-080252

BOLT

91

YM24321-000750

PACKING

92

YM26450-080222

BOLT

99

YM172141-74430

O-RING

105

YM172164-73110

VALVE

106

YM22217-160000

WASHER

107

YM26116-160452

BOLT

108

YM172187-71110

BOLT

109

YM172187-71100

COVER

110

YM22217-100000

WASHER

111

YM26013-100302

BOLT

112

YM172187-71200

COUPLING

113

YM172187-71210

BOLT

Выбрано товаров: 0