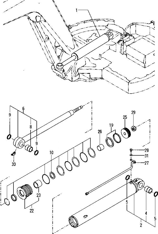
Запчасти Komatsu PC70FR-1 ПОВОРОТН. ЦИЛИНДР РАБОЧЕЕ ОБОРУДОВАНИЕ

Схема запчастей Komatsu PC70FR-1 - ПОВОРОТН. ЦИЛИНДР РАБОЧЕЕ ОБОРУДОВАНИЕ
FIT
1:1
100%

Артикул

Название

Примечание

Количество

1

YM172187-72301

CYLINDER ASS'Y,SWING

2

YM172187-72260

TUBE,SWING

4

YM172187-72370

BUSH

5

YM182900-53650

SEAL

6

YM172187-72270

ROD ASS'Y

8

YM172187-72360

BUSH

9

YM182900-53650

SEAL

10

YM172187-72030

SEAL SET,HEAD

19

YM172187-72290

SEAL SET

22

YM172187-72280

HEAD

23

YM182900-34250

BUSH

25

YM172187-72340

PISTON

26

YM172187-72350

PLUNGER

27

YM172187-72380

TUBE

28

YM172187-72510

BOLT

29

YM172187-72650

NUT

30

YM24761-050000

FITTING

31

YM953KM0-00222

WASHER

Выбрано товаров: 0